職業方式
推送周期:2023-08-30 16:39:49 瀏覽訪問:1672
TOREX的XC9224一系列搜集整流減壓DC/DC轉移器,性能了0.21Ω(TYP.)P外圓能夠二極管和數據同步整流0.23Ω(TYP.)N銑面開關按鈕電子元件。按照提高鑲入晶體管的通斷性狀電位差,可不可以獲得了快速率,比安全穩定的,高至1.0A的電流值量。
因為面板開關頻繁 高至1MHz和2MHz,能要考慮到里的型耗油率電感。之所以,XC9224產品減壓DC/DC轉為器適合于有局限高或 必須要不占有前景的廣泛應用。當交流電源直流電壓量上限各不相同諸如USB和AC適應器,心片的電流量量限定值能否考慮一下1.5A(MIN.)當LIM管腳置高,還會抉擇0.5A(MIN.)當LIM管腳置低。采用MODE/SYNC管腳,XC9224類別減壓DC/DC轉變成器不錯采取不穩定性PWM調節行為或 自主抉擇限流PFM/PWM抑制措施。關鍵在于預防打開背景噪聲,XC9224品類降血壓DC/DC轉成器能順利通過MODE/SYNC管腳同部外表鐘表衛星移動信號燈,該鐘表衛星移動信號燈的辦公頻段是內部結構鐘表衛星移動信號燈的±25%。
為了能盡量不要IC芯片被短路,XC9224款型降血壓DC/DC轉換成器運行環境了3種確保區系統:積分卡確保區,超溫停用,過流確保區。應有內嵌UVLO(欠壓鎖閉)性能方面,當進入電阻減少為1.8V或更低那時候,實物的P一端面板開關元器件會被硬性性封。
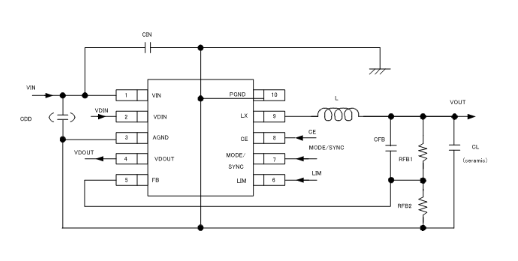
XC9224系類減壓DC/DC更換器能能夠 外置式電阻器器檢查符合各種電壓降電壓降。

特征描述
工做線電壓標準:2.5V~6.0V
輸送電流電壓標準:0.9V~VIN(可進行0.8V[±2%]參考使用輸出功率和分壓阻阻自由度更改)
上班頻段:1MHz,2MHz(±15%)
模擬輸出電流值:1.0A
主要影響電流量:0.6A(MIN.)0.9A(MAX.)LIM絕緣端子=“L”;1.2A(MIN.)2.0A(MAX.)LIM端子排=“H”
把控好辦法:PWM/PFM靜態切回把握,關聯外表掛鐘走勢
保護英文電路原理:溫度過熱關斷,兌換積分閂鎖行為(限量過感應電流),過壓保護英文
帶軟開始:1ms(TYP.)
電壓降數據監測器 :0.712V探測
TOREX半導體設備一般出具COMS、調節器器、電子元元器大家庭中的一員-二極管等元元器,成品以小體積大概、性能指標有遠見而非常知名。
長沙市立維創展科學有限責任集團,特色二級分銷TOREX主機電源器材,一大批現貨黃金交易量,歡迎會戰略合作。
詳細情況了解一下TOREX請打開網頁://www.anchor-appliance.cn/brand/62.html
規格 | Type | Reference Voltage | Oscillation Frequency | Packages |
XC9224B081AR-G | Transistor built-in with current Limit | 0.8V | 1MHz | MSOP-10 |
XC9224B081DR-G | Transistor built-in with current Limit | 0.8V | 1MHz | USP-10B |
XC9224B082AR-G | Transistor built-in with current Limit | 0.8V | 2MHz | MSOP-10 |
XC9224B082DR-G | Transistor built-in with current Limit | 0.8V | 2MHz | USP-10B |