市場新聞
發布消息期限:2023-10-25 17:07:43 瀏覽網頁:994
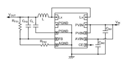
TOREX的XC9242型號是還可以根據陶瓷廠家電阻,放到0.11Ω(TYP.)P激光切割端面MOS安裝驅動晶胞管及0.12Ω(TYP.)N內孔MOS打開尖晶石管的穩壓數據同步整流DC/DC變為器。XC9242系類DC/DC切換器下降置于硫化鋅管的導通電阻器,能優質率,不穩定性的打造高2.0A的導出直流電壓。事情頻段依據在2.7V~6.0V,在工作中0.8V(±2.0%)的基點直流電壓源,用外接熱敏電阻能草率的從0.9V設置成打印輸出的電壓。
XC9242(PWM控制)要能取舍1.2MHz和2.4MHz的電開關率。軟通電日子在1ms(TYP.),實行加快解鎖。最大上限交流電為4.0A(TYP.),能是和高的電壓的技術應用。
XC9242系類DC/DC轉化成器在待機時就能把耗費交流電抑制在1.0μA以內。在待機時,由CL髙速尖端放電使用性能使LX-VSS相互的組成面板開關導通,確認工作中電容使CL的帶電粒子充放。這能在待機時盡量不要中期電源模塊的不正確運營。XC9242系列表DC/DC轉化成器原機UVLO(投入欠壓閘門啟閉機Under Voltage Lock Out)功能,在輸入直流電壓大于2.4V(TYP.)時,強制地解除里面帶動晶狀體管工作。

優點
融入win7驅動:0.11Ω(TYP.)P-ch驅動軟件氯化鈉晶體管.,0.12Ω(TYP.)鑲入N-ch推動器
鍵入相電壓領域:2.7V~6.0V
輸送電壓電流位置:0.9V~VIN
FB電流值:0.8V±2.0%
高變換工作效率:95%(TYP.)
輸出電壓電壓電流:2.0A
頻次區間:1.2MHz±15%,2.4MHz±15%
更高占空比:100%
性能參數:帶軟開始,CL自己充放,限定感應電流(主動復歸),溫度過熱關斷,UVLO
模擬輸出電感:瓷磚電感
制動器方式英文:PWM固定的把控
室內溫度領域:-40℃~+85℃
融入的環保指定:與EURoHS規格參數特定、無鉛化
TOREX半導體芯片一般展示 COMS、傳調節器器、肖特基二極管等元部件,物料以小體積大概、特性菁英而非常知名。
上海市立維創展科技信息非常有限子公司,特點分銷商TOREX供電元器,大批量外盤庫存盤點,喜歡協議。
詳情介紹詢問TOREX請點選://www.anchor-appliance.cn/brand/62.html
尺寸 | 可以參考直流電壓 | 崗位頻段 | 封裝形式 |
XC9242B08CDR-G | 0.8V | 1.2MHz | USP-10B |
XC9242B08DDR-G | 0.8V | 2.4MHz | USP-10B |
上一篇: AC-DC電源模塊_AC-DC轉換器——PICO電源模塊
下一篇: ?DELTA工業電源