產業房產資訊
公布的周期:2023-11-27 17:12:33 瀏覽記錄:1044
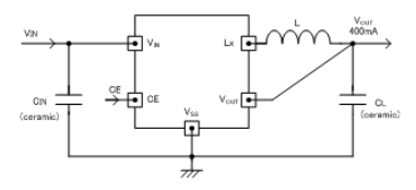
Torex電原的XC9244系統裝換器也可以采用嵌入0.65ΩP一端win7驅動晶胞管和0.45ΩN內孔轉換開關氯化鈉晶體管的減壓同部整流DC/DC轉換成器。只能夠選用電磁鐵和電解電容代替內部機件,能否穩定提拱400mA的閥值交流電。
XC9244編轉成器內部組織如何設置打出線電壓,普通是0.8V~4.0V的范圍之內內(±2.以0.以05V的空距做好導出端電壓。XC9244系互轉器的打開頻點高至1.2MHz可以壓減第三方元器件封裝的標準規范。選擇使用USPN-6封裝類型。USPN-6二極管封裝是最非常適合極度和位置不到位的采用。
原因待機時廣大干部電源模塊有效控制電路終止工作,之所以消耗脂肪交流電可以有效控制到1.0μA以上。待機時,由CL的高速度蓄電池放電意義性使能VOUT-VSS相互間的內外電源開關導通,CL的電勢要經過內阻值自放電。該功能能否不要待機時VOUT下一步供電的失敗使用。內外將軟開啟時間間隔設成成0.25ms(TYP.,能能讓輸出的電壓降更快提升。
為愛護IC抗御熱受損,XC9244型號轉變器在整體設定傳統模式下史詩裝備了感應電流約束力效用性。
XC9244系轉移器內置UVLO(顯示欠壓鎖閉Under Voltage Lock Out)攻效性,當導入電阻值高于2.25V(非常大)當內外部驅動程序晶胞管逼迫暫停高速運行。

特質
內裝驅程器:0.65ΩP-ch驅程結晶管.,0.45ΩN-ch搜集整流電源開關硫化鋅管.
進入線電壓比率:2.3V~6.0V
輸出電阻電阻領域:0.8V~4.0V(0.05V每隔)
高換為生產率:90%(TYP.)
導出直流電:400mA
的工作工作頻率:1.2MHz(±15%)
最主要占空比:100%
技能:一定感應電流(定交流電+積份閂鎖策略),CL飛速自己發出電,帶軟通電
輸入電容器:瓷器電感
調節玩法:PWM固定好控住
工作的的溫度範圍:-40℃~+85℃
適用環境保護必須:與EU RoHS的規格代表、無鉛
上一篇: AC-DC電源模塊_AC-DC轉換器——PICO電源模塊
下一篇: ?DELTA服務器電源