服務行業新聞咨詢
推送的時間:2024-01-24 17:13:11 打開網頁:1162
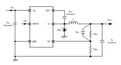
TOREX電源XC9247系列降壓DC/DC轉換器有內嵌運行在16V降壓N-溝道驅使結晶體管。輸出電流高至1.0A高效穩壓電源。負載電容(CL)能夠使用陶瓷電容等低ESR電容。
XC9247系列產品穩壓DC/DC轉為器要具備內嵌式1.0V基本準則熱敏電阻源,打印輸出熱敏電阻可按照靜態熱敏電阻值自由布置。這是因為旋轉開關概率高至1.2MHz,并能實行其他器材的長安智能化。XC9247編減壓DC/DC變為器內部結構裝置成1.5ms(TYP)軟無法時期,最后用EN/SS接3d插件連結的阻值和體積就可以任意放置,比組織結構軟開機啟動耗時較長。
XC9247系列產品穩壓DC/DC轉化器要具備嵌到UVLO能力性,就能在自測電流值低過時中斷驅程結晶體管。燒壞守護嵌到限流供電電源適配器電源適配器線路超溫待機電源適配器電源適配器線路和燒壞守護供電電源適配器電源適配器線路。

有特點
錄入的電壓范圍圖:4.5V~16V(隨物品有差異 ,VIN領域還是有所的不同)
打出輸出功率規模:1.2V~5.6V(VFB=1.0V)(隨食品不一樣,VOUT使用范圍有所有所差異)
的輸出電壓電流:1A(VIN≧6V and VOUT/VIN≦50%);1A(VIN<6V and VOUT/VIN≦40%);
工作中工作量:90%(VIN=12V,VOUT=5V,IOUT=200mA)
頻繁依據:1.2MHz
明顯pwm占空比:80%
帶軟重新啟動:里面使用1.5ms;表面設定:選廣泛用于外置RC隨處地設制;
操作方案:PWM/PFM自己修改把控好
串電保護性:直流電壓要求(積分兌換閂鎖模式);超溫關斷;發生故障養護;
UVLO:4.15V,5.65V,7.65V
效果電解濾波電容:瓷質電解濾波電容
平均溫度位置:-40℃~+85℃
自我調節環境保護中規定:與EU RoHS規模相應、無鉛化
尺寸 | UVLO取消端電壓 | 的工作概率 | 裝封 |
XC9247B42CER-G | 4.15V | 1.2MHz | USP-6C |
XC9247B42CMR-G | 4.15V | 1.2MHz | SOT-26W |
XC9247B65CER-G | 5.65V | 1.2MHz | USP-6C |
XC9247B65CMR-G | 5.65V | 1.2MHz | SOT-26W |
XC9247B75CER-G | 7.65V | 1.2MHz | USP-6C |
XC9247B75CMR-G | 7.65V | 1.2MHz | SOT-26W |