產業方式
更新時刻:2024-04-17 09:07:34 瀏覽訪問:1003
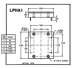
PICO 的 LPHA1/PHA1 AC-DC 轉換器是通用交流輸入與全球直流應用的理想選擇。搭配 PICO 的 LPD、PD 和 HPD 系列 DC-DC 轉換器使用,可獲得范圍從 3.3 VDC 到 350 VDC 的各種直流輸出,包括單路和雙路輸出。其獨特的 365VDC 穩壓輸出使之可直接用于許多激光和電機應用。無論在何種應用下,PICO 始終致力于優化尺寸、可靠性和成本。


主要特點:
- 適用 EN/IEC 6100-3-2 的要求- 通用型顯示額定電壓位置:85至250VAC- 高效率條件:0.99*- 比較高轉化率:90% 或比較高- 打印輸出瓦數:- PHA1型更是高達500瓦**(110 VAC 降額至85VAC,速度為每伏1.2%)- LPHA1型達到250瓦**(110 VAC 降額至85VAC,數率為每伏1.2%)- 穩壓內容輸出(365VDC)其他特性:
- 放入工作頻率:47至440Hz- 過載時的模擬輸出電流值容差:± 2%- 模擬輸出紋波:- PHA1:10V峰-基線,高速行駛,帶470UF電阻器- LPHA1:10V峰-最高值,滿艙,帶250UF濾波電收納空間- 的工作溫區域:0oC 至 +85oC- 無法直流電主要表現值:- PHA1:25-40A至120VAC- LPHA1:15-20A至240VAC- 跳閘護理:- PHA1型需輸入10AMP飛速短路保障絲- LPHA1型需輸入5AMP更快的融斷人壽保險絲- 重:- PHA1:7.2盎司(231克) 具代表性- LPHA1:3.5盎司(112克)該全系換算器也鼓勵連接wifi,可協助PICO的LPD-PD-HPD全系,供應普遍的電壓降面積,可用以于單路和雙路的輸出。見諒供需,請資詢生產廠家,熟知建立 PICO 所有的 1000 諸多供電換算器的wifi網絡設計,為您供應從 2.0 VDC 到 5,000 VDC 的系統。上海市立維創展科技公司是PICO新公司的電商分銷。提供數據美國進口PICO外接主機電控制器、軍工外接主機電控制器、直流電外接主機電控制器、不同規格的中小型箱式變壓器、MIL-PRF-21038/27規格參數干式配電變壓器、脈沖造成的干式配電變壓器、400 MHz電業電壓器、MIL-STD-1553接口標準變電器、聲頻變電器、電率電感、超小型電率電感、EMI電感、薄DC-直流變壓器電源適配器組件、軍工用DC-DC24v電源功能、磚塊DC-DC交流電源功能模塊、直流高壓DC-DC、AC-DC24v24v電原摸塊、觸點開關直流電24v24v電原摸塊、隔離24v24v電原摸塊、國際航空24v24v電原摸塊等基本功能24v24v電原摸塊和最大功率改換器。原裝進口產品設備進口,質量保持,熱烈歡迎服務咨詢。
情況明白PICO電源適配器板塊請鼠標點擊://www.anchor-appliance.cn/brand/15.html