互聯網行業咨訊
發布新聞時候:2024-08-15 09:14:48 閱讀:6079

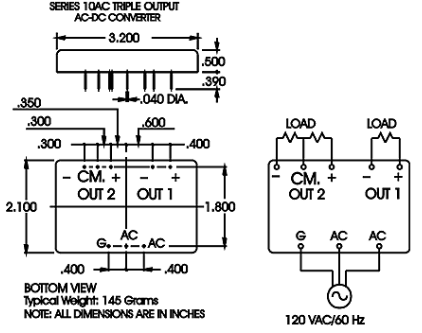
10AC12T5是一款三路輸出的AC-DC電源模塊,由PICO公司生產。這款電源模塊具有以下特點和技術參數:
1. 輸入電壓范圍:
90-130VAC (47-440Hz) 待選:170-240VAC (47-440Hz)2. 環境條件:
寬作業水溫標準:-55°C至+85°C 過程高冷藏及損壞測量:-55°C至+125°C3. 型號與規格:
技術參數:10AC12T5 主工作輸出電阻值:5 VDC 主要額定負載工作電流:1400 mA 主要效果工率:7 W 電流電壓電動機扭矩調理范疇:25%-100%電動機扭矩,±0.5% 輸送電流值紋波(1.1 MHz帶寬使用下):50 mV峰谷值4. 輔助輸出電壓和電流:
協助輸出精度電流電壓1:±12 VDC 最高額定負載電流值1:125 mA 最大的輸出最大功率1:1.5W 輸出精度電流電壓紋波1(1.1 MHz下行帶寬下):50 mV峰谷值 引導工作輸出的電壓2:±12 VDC 最高過載直流電2:50 mA 最大化工作輸出工作效率2:1.2W 模擬輸出端電壓紋波2(1.1 MHz上行寬帶下):50 mV峰頂值5. 效率:
在載滿情況下,的效率為77% 此交流電源信息模塊可軟件在于苛求的軍工企業原則及航天工程軟件,可在嚴格壞境下牢靠作業。物品功能以及寬投入的電壓降使用范圍、動態平衡的讀取的電壓降、低紋波燥音及高效益率。深圳市立維創展科技是PICO平臺的分銷系統商。可以提供進口PICO外接交流電源適配器交流電源模組圖片、軍工外接交流電源適配器交流電源模組圖片、髙壓外接交流電源適配器交流電源模組圖片、中小型配電變壓器、MIL-PRF-21038/27產品規格箱式低壓變壓器、脈沖發生器箱式低壓變壓器、400 MHz電氣變電器、MIL-STD-1553界面電壓器、雙聲道電壓器、電率電感、小型電率電感、EMI電感、薄DC-直流變壓器外接電源組件、軍工DC-DC主機電源輸出模塊、磚塊DC-DC供電功能、壓力DC-DC、AC-DC主機開關電源開關適配器包塊包塊、旋鈕整流主機開關電源開關適配器包塊包塊、隔離防曬主機開關電源開關適配器包塊包塊、空航主機開關電源開關適配器包塊包塊等工作主機開關電源開關適配器包塊包塊和額定功率轉變器。原裝機產品進口報關,高質量可以保障,認可咨詢了解。