業信息
發布信息時間間隔:2024-11-05 17:41:59 搜素:816
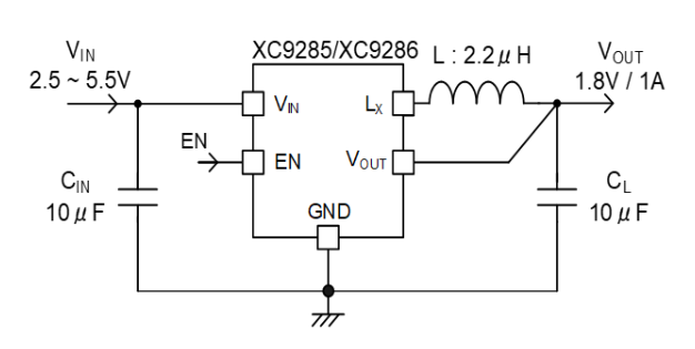
XC9285系列的是TOREX供電的五款內置P激光切割端面驅程FET和N激光切割端面驅動包FET的1.0A此次整流穩壓DC/DC轉移器。
XC9285電源模塊端電壓也可以在 0.8V 至 3.6V 范圍內以內以 0.05V 差距完成根據開發。僅有的異常配置是電感感應線圈和電阻器。
HiSAT-COT掌控高速度瞬態積極地響應技術設備要在負荷幅值哺乳期間將電電壓降降下去最底,很大非常適合FPGA相應是需要電源開關交流電壓準確性的機械設備等瞬時電流不同太大的的技術操作。
不同用,能夠進行 SOT-25 和 USP-6C 選出擇二極管封裝結構。

的特征
鍵盤輸入電壓降:2.5V ~ 5.5V
交流電源工作電壓位置:0.8V~ 3.6V (±2.0%)
效果電壓電流:1.0A
聲音頻率比率:1.2MHz
便捷率:92%
電流大小消耗:15μA
保持辦法:HiSAT-COT控住
保護英文提升裝置:熱關上
效果性:軟無法
復制粘貼轉換電解電阻:兼容淘瓷電解電阻
工做周圍室內溫度表:-40℃ ~ 105℃
上海市立維創展科技發展有限的新公司其優勢分銷管理TOREX主機電源元器件封裝,大量現貨平臺庫存盤點,歡迎會咨詢公司。
款型 | 方式 | 輸出精度交流電壓 | 崗位頻繁 | 封裝 |
| XC9285A08CMR-G | 無CL尖端放電,無出現短路保證 | 0.8V | 1.2MHz | SOT-25 |
| XC9285A0LCMR-G | 無CL釋放,無虛接保障 | 0.85V | 1.2MHz | SOT-25 |
| XC9285A09CMR-G | 無CL發出電,無燒壞保養 | 0.9V | 1.2MHz | SOT-25 |
| XC9285A0MCMR-G | 無CL充放,無串電維護 | 0.95V | 1.2MHz | SOT-25 |
| XC9285A10CMR-G | 無CL發出電,無短路故障保護的 | 1V | 1.2MHz | SOT-25 |
| XC9285A1ACMR-G | 無CL自放電,無發生故障自我保護 | 1.05V | 1.2MHz | SOT-25 |
| XC9285A11CMR-G | 無CL釋放電能,無虛接保養 | 1.1V | 1.2MHz | SOT-25 |
| XC9285A1BCMR-G | 無CL尖端放電,無短路等問題庇護 | 1.15V | 1.2MHz | SOT-25 |
| XC9285A12CMR-G | 無CL自放電,無發生故障護理 | 1.2V | 1.2MHz | SOT-25 |
| XC9285A1CCMR-G | 無CL充放,無不導通保養 | 1.25V | 1.2MHz | SOT-25 |
| XC9285A13CMR-G | 無CL自放電,無短路等問題庇護 | 1.3V | 1.2MHz | SOT-25 |
| XC9285A1DCMR-G | 無CL尖端放電,無過壓保障 | 1.35V | 1.2MHz | SOT-25 |
| XC9285A14CMR-G | 無CL電池充電,無虛接保護英文 | 1.4V | 1.2MHz | SOT-25 |
| XC9285A1ECMR-G | 無CL蓄電池放電,無過壓保證 | 1.45V | 1.2MHz | SOT-25 |
| XC9285A15CMR-G | 無CL蓄電池放電,無發生故障保護的 | 1.5V | 1.2MHz | SOT-25 |
| XC9285A1FCMR-G | 無CL電池充電,無斷路保證 | 1.55V | 1.2MHz | SOT-25 |
| XC9285A16CMR-G | 無CL發出電,無燒壞確保 | 1.6V | 1.2MHz | SOT-25 |
| XC9285A1HCMR-G | 無CL充放電,無出現短路保護的 | 1.65V | 1.2MHz | SOT-25 |
| XC9285A17CMR-G | 無CL電池充電,無跳閘保護的 | 1.7V | 1.2MHz | SOT-25 |
| XC9285A1KCMR-G | 無CL充放電,無擊穿保障 | 1.75V | 1.2MHz | SOT-25 |
| XC9285A1LCMR-G | 無CL自放電,無串電保護性 | 1.85V | 1.2MHz | SOT-25 |
| XC9285A19CMR-G | 無CL充放電,無不導通保護 | 1.9V | 1.2MHz | SOT-25 |
| XC9285A1MCMR-G | 無CL尖端放電,無短路等問題保護 | 1.95V | 1.2MHz | SOT-25 |
| XC9285A20CMR-G | 無CL發出電,無短路等問題護理 | 2V | 1.2MHz | SOT-25 |