服務行業新聞咨詢
更新時光:2024-12-04 17:08:25 瀏覽記錄:810
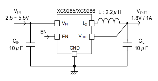
XC9286題材是款內置P內孔驅使FET和N一端驅動安裝FET的1.0A微信同步整流降血壓DC/DC轉移器。
XC9286國產穩壓同時整流DC/DC轉化器工作輸出相電壓也可以在 0.8V 至 3.6V 領域里面以 0.05V 間格實施此類配置。僅有的表面裝備是電感電感和電阻器。
HiSAT-COT調節的穩定瞬態響應的技藝就能在環境下振動其間將輸出的電阻升到極低,有點時候FPGA和可以輸入電流電壓穩定性的機器設備等瞬時額定負載波動性較高的運用方面。
隨著技術應用,行采用 SOT-25 和 USP-6C 選取擇封口。

共同點
復制粘貼額定電壓 2.5V ~ 5.5V
輸送電流電壓區間 0.8V~ 3.6V (±2.0%)
讀取交流電 1.0A
頻帶寬度規模 1.2MHz
轉化率 92%
(VIN=3.8V,VOUT=1.8V,IOUT=200mA)
電壓電流耗費 15μA
剎車策略 HiSAT-COT操作
PWM/PFM電腦自動設定控住
保障控制系統 熱關斷
電流大小局限性
短路等問題保護英文(B型)
實用功能 軟重新啟動
UVLOCL自放電(B型)
輸入模擬輸出電阻 兼容淘瓷電容(電容器)
本職工作熱度 -40℃ ~ 105℃
北京市立維創展科技廠家有限責任廠家優越性包銷TOREX電源適配器器材,大批期貨庫存盤點,喜愛服務咨詢。
產品型號 | 類 | 輸出交流電壓 | 做工作頻繁 | 封裝形式 |
| XC9286A08CMR-G | 無CL發出電,無出現短路維護 | 0.8V | 1.2MHz | SOT-25 |
| XC9286A0LCMR-G | 無CL電池充電,無串電護理 | 0.85V | 1.2MHz | SOT-25 |
| XC9286A09CMR-G | 無CL發出電,無斷路守護 | 0.9V | 1.2MHz | SOT-25 |
| XC9286A0MCMR-G | 無CL釋放,無短路故障呵護 | 0.95V | 1.2MHz | SOT-25 |
| XC9286A10CMR-G | 無CL釋放電能,無過壓養護 | 1V | 1.2MHz | SOT-25 |
| XC9286A1ACMR-G | 無CL釋放電能,無燒壞守護 | 1.05V | 1.2MHz | SOT-25 |
| XC9286A11CMR-G | 無CL電池充電,無擊穿自我保護 | 1.1V | 1.2MHz | SOT-25 |
| XC9286A1BCMR-G | 無CL尖端放電,無漏電保護的 | 1.15V | 1.2MHz | SOT-25 |
| XC9286A12CMR-G | 無CL蓄電池充電,無短路等問題防護 | 1.2V | 1.2MHz | SOT-25 |
| XC9286A1CCMR-G | 無CL充放電,無過壓自我保護 | 1.25V | 1.2MHz | SOT-25 |
| XC9286A13CMR-G | 無CL發出電,無發生故障保護的 | 1.3V | 1.2MHz | SOT-25 |
| XC9286A1DCMR-G | 無CL釋放電能,無短路故障自我保護 | 1.35V | 1.2MHz | SOT-25 |
| XC9286A14CMR-G | 無CL釋放,無虛接呵護 | 1.4V | 1.2MHz | SOT-25 |
| XC9286A1ECMR-G | 無CL充放電,無斷路保護好 | 1.45V | 1.2MHz | SOT-25 |
| XC9286A15CMR-G | 無CL尖端放電,無漏電確保 | 1.5V | 1.2MHz | SOT-25 |
| XC9286A1FCMR-G | 無CL自放電,無不導通保護好 | 1.55V | 1.2MHz | SOT-25 |
| XC9286A16CMR-G | 無CL蓄電池放電,無短路故障保護的 | 1.6V | 1.2MHz | SOT-25 |
| XC9286A1HCMR-G | 無CL充放電,無跳閘呵護 | 1.65V | 1.2MHz | SOT-25 |
| XC9286A17CMR-G | 無CL釋放,無發生故障護理 | 1.7V | 1.2MHz | SOT-25 |
| XC9286A1KCMR-G | 無CL釋放電能,無漏電保護 | 1.75V | 1.2MHz | SOT-25 |
| XC9286A18CMR-G | 無CL釋放,無虛接保護措施 | 1.8V | 1.2MHz | SOT-25 |
| XC9286A1LCMR-G | 無CL充放,無漏電保護性 | 1.85V | 1.2MHz | SOT-25 |
| XC9286A19CMR-G | 無CL釋放,無跳閘庇護 | 1.9V | 1.2MHz | SOT-25 |
| XC9286A1MCMR-G | 無CL釋放電能,無短路等問題庇護 | 1.95V | 1.2MHz | SOT-25 |
| XC9286A20CMR-G | 無CL電池充電,無串電養護 | 2V | 1.2MHz | SOT-25 |