服務業咨訊
正式發布期限:2025-01-09 15:36:48 瀏覽網頁:802
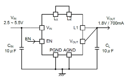
XCL244系是感應線圈和設定IC一起型的超大型,纖薄型(2.25mm x 1.5mm,h=0.75mm)穩壓DC/DC轉變器。
XCL244一系列減壓DC/DC換算器只需在異常元元件封裝上擴大兩位淘瓷濾波電干凈的器皿就能開啟電源模塊電路原理。嵌入電機轉子優化調整了輸電線路板布置,并最大的效率增多了因元元件封裝歸類和接到線而影響的問題和低頻噪音。打印輸出相電壓才可以在0.8V至3.6V范圍內內以0.05V距離進行相應的設備。
HiSAT-COT操縱的公路瞬態響應的水平也能在電流變化這段時間內將效果電流升到評均,越來越符合FPGA和需輸出精度電流電壓維持性的機械設備等瞬時電流價格波動巨大的用途。
(*)HiSAT-COT是TOREX為DC/DC轉化成器新產品而我一個人研究開發的高速路瞬態反應技術。最應用做規定精密機械、高固定度電源線電流的一體化用電線路。
特殊性
進入工作電壓依據:2.5V ~ 5.5V
打出交流電壓:0.80V ~ 1.00V (±20mV);1.05V ~ 3.60V (±2.0%);
的頻率比率:3.0MHz
打出電壓:700mA
直流電壓耗損率:25μA
錯誤率:83%(VIN=3.8V,VOUT=1.8V,IOUT=400mA)
調節辦法:HiSAT-COT把控好,PWM/PFM自動式修正;
庇護特征參數:
熱倒閉
功率禁止
虛接護理
功能表:
軟起動
UVLO
CL擊穿
濾波電貯槽:兼容陶瓷制品濾波電貯槽
運行熱度:-40℃~105℃
杭州市立維創展科技創新不足企業主要優勢代銷TOREX外接電源集成電路芯片,豐富現貨黃金庫存盤點,歡迎辭咨詢公司。

型號 | 內型 | 輸出電阻電阻 | 工作的速度 | 封裝形式 |
XCL244B083D2-G | 軟重新啟動日子:0.3ms | 0.8V | 3.0MHz | USP-8B04 |
XCL244B0L3D2-G | 軟再啟動時間間隔:0.3ms | 0.85V | 3.0MHz | USP-8B04 |
XCL244B093D2-G | 軟開始的時間:0.3ms | 0.9V | 3.0MHz | USP-8B04 |
XCL244B0M3D2-G | 軟啟的時候:0.3ms | 0.95V | 3.0MHz | USP-8B04 |
XCL244B103D2-G | 軟起動服務器時長:0.3ms | 1V | 3.0MHz | USP-8B04 |
XCL244B1A3D2-G | 軟加載時刻:0.3ms | 1.05V | 3.0MHz | USP-8B04 |
XCL244B113D2-G | 軟初始化周期:0.3ms | 1.1V | 3.0MHz | USP-8B04 |
XCL244B1B3D2-G | 軟重新啟動時期:0.3ms | 1.15V | 3.0MHz | USP-8B04 |
XCL244B123D2-G | 軟起動服務器事件:0.3ms | 1.2V | 3.0MHz | USP-8B04 |
XCL244B1C3D2-G | 軟開啟時刻:0.3ms | 1.25V | 3.0MHz | USP-8B04 |
XCL244B133D2-G | 軟打火時光:0.3ms | 1.3V | 3.0MHz | USP-8B04 |
XCL244B1D3D2-G | 軟起動的時刻:0.3ms | 1.35V | 3.0MHz | USP-8B04 |
XCL244B143D2-G | 軟開機事件:0.3ms | 1.4V | 3.0MHz | USP-8B04 |
XCL244B1E3D2-G | 軟重啟的時間:0.3ms | 1.45V | 3.0MHz | USP-8B04 |
XCL244B153D2-G | 軟重啟時候:0.3ms | 1.5V | 3.0MHz | USP-8B04 |
XCL244B1F3D2-G | 軟起動時時段:0.3ms | 1.55V | 3.0MHz | USP-8B04 |
XCL244B163D2-G | 軟重啟時段:0.3ms | 1.6V | 3.0MHz | USP-8B04 |
XCL244B1H3D2-G | 軟開啟日期:0.3ms | 1.65V | 3.0MHz | USP-8B04 |
XCL244B173D2-G | 軟無法時光:0.3ms | 1.7V | 3.0MHz | USP-8B04 |
XCL244B1K3D2-G | 軟開啟時間段:0.3ms | 1.75V | 3.0MHz | USP-8B04 |
XCL244B183D2-G | 軟起動時間段:0.3ms | 1.8V | 3.0MHz | USP-8B04 |
XCL244B1L3D2-G | 軟起動的的時間:0.3ms | 1.85V | 3.0MHz | USP-8B04 |
XCL244B193D2-G | 軟啟動器時時間間隔:0.3ms | 1.9V | 3.0MHz | USP-8B04 |
XCL244B1M3D2-G | 軟啟服務器日子:0.3ms | 1.95V | 3.0MHz | USP-8B04 |
XCL244B203D2-G | 軟發動時刻:0.3ms | 2V | 3.0MHz | USP-8B04 |