行業領域咨訊
發布新聞時刻:2025-03-12 15:37:34 搜索:461
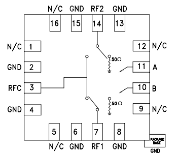
HMC547ALP3E也是款由Analog Devices (ADI) 提高的寬帶網絡高防護隔離度非反射強度式 GaAs pHEMT SPDT(單刀雙擲)rf射頻按鈕開關,符合于從 DC 到 20 GHz 的寬頻段軟件應用。HMC547ALP3E體現了高穩定性、高靠得住性、高防護隔離度和低讀取損失的特色,適用人群于統計、北斗衛星通信技術、考試生產設備等低頻選用場景中。

主要的性質
聲音頻率區域:DC 至 20 GHz,適宜于光纖寬帶應該用。
高丟開度:
在 5 GHz 下,隔離防曬度 >50 dB。
在 15 GHz 一些,防護度 >45 dB。
低嵌入自然損耗:主要指標值 2 dB,確認4g信號傳輸數據的提高效率性。
管控邏輯思維:采用了同質負掌控交流電壓形式邏輯(-5V/0V),需不需要偏置主機電源。
打包封裝:緊湊型的 16 引腳 LFCSP EP(帶裸露出焊盤的引線構架單片機芯片級打包封裝),好外表面貼裝。
環保性內控:合乎 RoHS 準則,無鉛規劃。
選用范圍
通信基站知識基礎體系:用在基站設備中的rf射頻衛星表現添加和路由,提高認識衛星表現的固定輸送和高質量整理。
光仟與帶寬光纖通信:在電腦網絡光纖通訊網絡系統的設備系統的和帶寬5G電腦網絡中,保持數據信號的變換和劃分,安全保障通訊網絡設備的可以信賴性和靈巧性。
微波射頻無線wifi電與 VSAT:不適在徽波有線電接入和甚孔眼徑用戶(VSAT)整體,變現不同的無線信道直接的信息調節。
中國國防區域:在軍工wifi手機電、雷達探測和手機抗衡(ECM)等儀器中,廣泛用于迅速的鎖定各種不同的崗位模式,或的信號相對路徑。
公測實驗儀器義表:能用的 于自測議器中的警報路由和鎖定,如網上深入測試儀、警報形成器等,不便對有所差異警報完成測量和深入了解。
北京市立維創展現代科技是ADI的分銷系統商,主要是供應變成器、波形廠品、數據庫轉成器、音視頻廠品、寬帶網絡廠品、鬧鐘和指定時間IC、網絡光纖安全可靠服務、接口標準和間隔時間、MEMS和感測器器、電源適配器和熱經管、補救器和DSP、頻射和設計清理器、旋轉開關和分攤器等,新產品原裝機外盤,市場價的優勢,追捧資訊。
上一篇: 高速模數轉換器ADC時鐘極性與啟動時間