制造行業快訊
推送時:2025-04-10 16:05:53 觀看:380
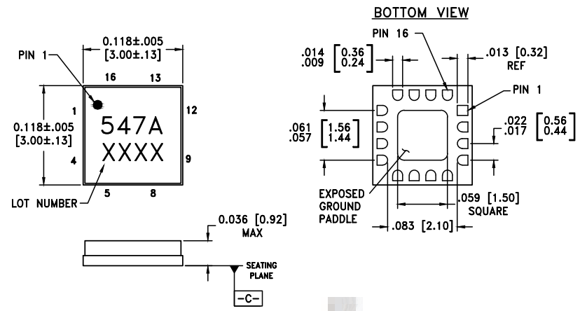
HMC547ALC3代用移動寬帶高隔絕度非全反射型GaAs pHEMT單刀雙擲(SPDT)觸點開關,分為適合化工業標準的3mm×3mm無引腳陶瓷制品表明貼裝二極管封裝技術水平。HMC547ALC3工做頻段復蓋直流電壓(DC)至28.0 GHz,在全頻段位置內可達成遠遠超過40 dB的網口丟開度,同樣恢復導入自然損耗遠低于2 dB的高品質性能質量指標質量指標。
其個性的移動寬帶性能特點、盡快更換業務能力及省油的suv的封裝類型設計,使其被選為中國國防智能電子戰/電商反擊系統及高定位精度測試軟件系統的非常完美解決方法計劃方案。HMC547ALC3采取-5V/0V互替負邏輯關系掌控電流值方法,不需第三方偏置電原可以實現目標穩定性本職工作,有用還簡化了操作系統結構設計復雜性度。

顯著特點
高屏蔽度:10 GHz時為45 dB
20 GHz時為39 dB
低復制消耗的資金:1.9 dB@10 GHz
2.2 dB@20 GHz
高速更改:6ns
非反射光開發
16芯瓷質3x3mm SMT封裝類型:9mm2
典范應用軟件
?網絡光纖和聯通寬帶中國聯通
?紅外光無限電和甚小圓孔徑末端
?軍用裝備wifi手機電、預警雷達和ECM
?測試分析儀器
西安市立維創展信息技術是ADI的分銷管理商,主要具備調小器、線型貨品、數據顯示變為器、音頻播放貨品、帶寬貨品、秒表和定時IC、光纖寬帶通訊網絡品牌、端口和相隔、MEMS和調節器器、電源線和熱經管、解決器和DSP、rf射頻和立體圖形處置器、轉換開關和安排器等,設備原廠現貨黃金,收費好處,邀請咨詢服務。
上一篇: 高速模數轉換器ADC時鐘極性與啟動時間