業信息資訊
分享時長:2025-06-04 16:34:15 閱讀:291
PTH03060YAH 也是款由南京檢測設備(TI)生產加工的非隔離開式DC/DC互轉器,專為DDR/QDR存放器設計的,基于PTH03060YAH 的供貨期限期限減少和成本費大問題,LWH03060YAH能以為PTH03060YAH的取代解決方案,更是在企業把控好、光纖通信網絡設備及檢測測量儀器等對靠普性和速度標準較高的情境中,倆者在的主要參數表和特點上享有極度兼容性設置,LWH03060YAH很最合適對準確性和利用率的要求較高的采用場景設計,是項目 師對于元元件產生起伏較大時的正確的抉擇。
裝封與電氣公司耐熱性的好兼容
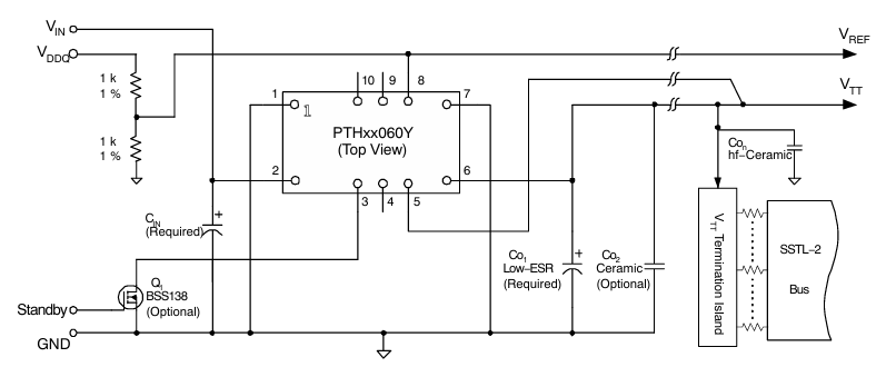
LWH03060YAH采取與PTH03060YAH完成想同的10-DIP封裝形式文本框樣式,外形尺寸均為25.4mm×15.7mm×8.9mm,引腳構成和怎么安裝玩法同一。此類規劃會使水利技術員必須編輯目前PCB的布置必須真接截取原摸塊,逐年減小了裝修設計變動人工成本和時光。
在電穩定性地方,LWH03060YAH的復制粘貼電流時間范圍(2.95V至3.65V)和模擬輸出電阻可調式區間(0.8V至2.5V)與PTH03060YAH徹底配對,比較大輸出精度電壓電流金橋接地銅絞線——加塑銅絞線為10A。這兩種的的效率均實現93%,在一樣的載荷生活條件下工作頻率和產生熱量成績基本上相同,這含意著改變熱管散熱方案怎么寫就可以堅持沿用。

可選的區域環境順應性與靠得住性
LWH03060YAH在生活環境適用性問題顯流露出強勢優勢可言:
l 更寬的崗位平均溫度位置:LWH03060YAH適配-40℃至126℃(PTH03060YAH為-40℃至85℃),十分適于炎熱省份或對較低溫度有特別要的化工場景中。
l 加強的抗干涉工作能力:在有難度電磁能壞境中現象更好,足夠工業制造應用領域的嚴峻規定。
l 更長的安全使用工作溫度:LWH03060YAH壽命短頻次達10年(PTH03060YAH為8年),避免儀器保護的頻率。
批發商鏈與生產成本的優勢
LWH03060YAH在訂貨和人工成本幾個方面擁有突出的市場競爭力:
l 更短的購貨時間段:LWH03060YAH一般而言4-6周可以支付,而PTH03060YAH也許需8-12周。
l 重要的直接費用節省成本:LWH03060YAH出廠價較PTH03060YAH低15%-20%,批處理購買時間益愈來愈優秀。
廣州 市立維創展現代科技有限責任工廠享用20年電子器材元器材新技術日常積累,專業技術的物料產品開發和口感開發團隊,塑造了Leadway主機電源引擎護膚品。以技術應用創新發展為核心理念,做最是和市面 消費需求的護膚品品種。護膚品趕超美系、日系風格,實行pin &pin刪除如必須要 其余的技術可以支持,或品牌了解和咨詢了解,歡迎詞了解和咨詢了解。
Leadway類型 | 可修改TI型號查詢 | 輸入電壓電流比率 | 導出交流電壓區間 | 傳輸電壓 | 運作氣溫標準 | 吸收率 | 二極管封裝長寬高 (LWH) |
LWH03060YAH | PTH03060YAH | 2.95~3.65V | 0.55 ~ 1.8V | 10A | -40℃ ~ 226℃ | 86% | 10-DIP 25.4mm x 15.7mm x 8.9mm |