?LWH03060YAH替代PTH03060YAH:高性能電源模塊的優選方案
2025-06-04 16:34:15
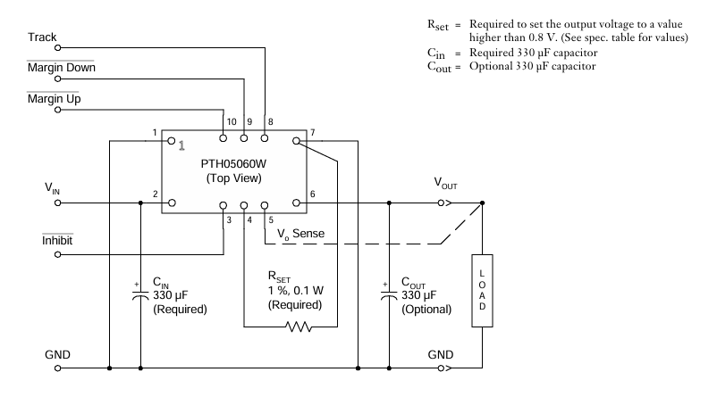
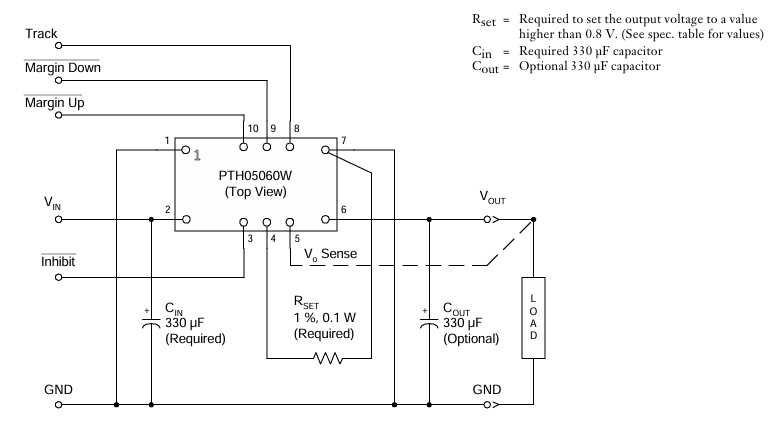
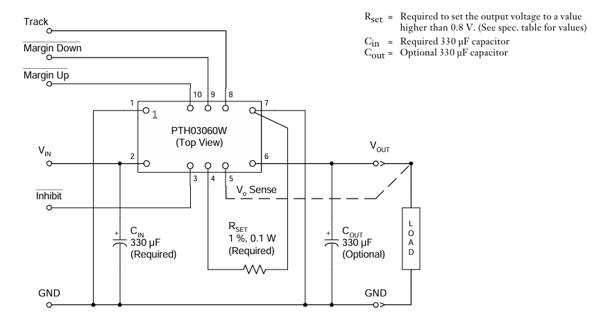
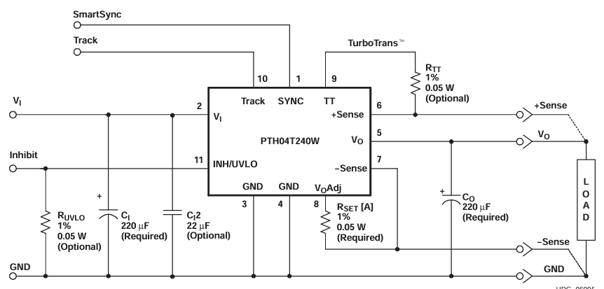
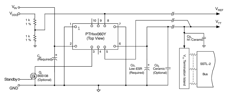
因 PTH03060YAH 交貨期時間段廷長與直接費用問題,LWH03060YAH 能以為其代換預案,應用來實業把控等對穩定性和有效率特殊要求高的3d場景。它選擇與 PTH03060YAH 一樣的的 10-DIP 打包封裝,電力效果規格高寬比識別,不同改進 PCB 布局合理可以了替代。同時,LWH03060YAH 在運轉環境適于性上更好,運轉室溫領域更寬、抗干涉能力素質更強、用壽命短更長,且交貨期時間段更短、直接費用控制成本 15%-20%,是工程建筑師處理元集成電路芯片制造下降的先利之選 。