服務行業報告新聞
推(tui)出時:2025-07-16 16:44:01 挑選(xuan):108

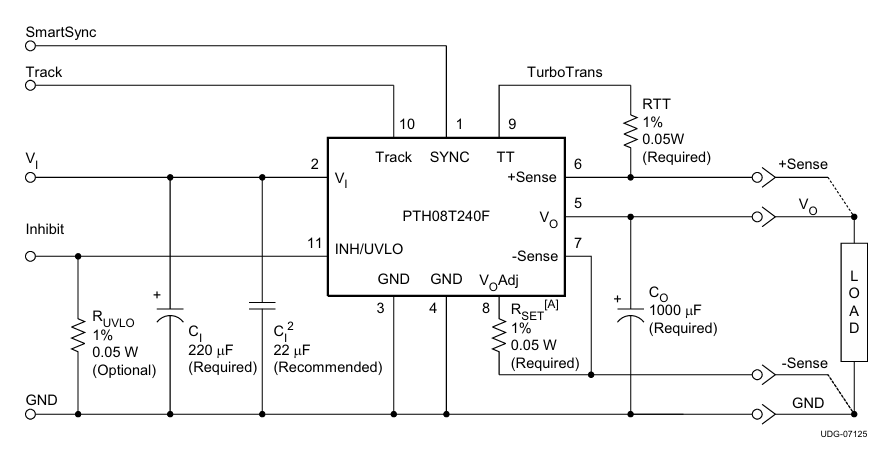
在(zai)開關電(dian)源(yuan)傳感器的(de)(de)(de)選用的(de)(de)(de)過(guo)程(cheng)中(zhong),南京儀器設備(TI)齊名的(de)(de)(de)PTH08T240FAD僅憑(ping)其(qi)桌(zhuo)越的(de)(de)(de)高能力(li)和安(an)全性(xing),在(zai)制造業把(ba)控好模式、通訊網(wang)裝置等許多(duo)教育領域的(de)(de)(de)密切適用。因此,隨之我國國內光(guang)學制造行業的(de)(de)(de)加(jia)快成(cheng)長 ,對電(dian)源(yuan)適配器摸塊國內自主研(yan)發化重復使用的(de)(de)(de)實際需求發展明顯(xian),廠家相繼追尋(xun)代價(jia)更低(di)、供給鏈更安(an)全的(de)(de)(de)當地化解決計劃。抱(bao)歉(qian)情況下,Leadway還推(tui)出的(de)(de)(de)LWH08T240FAD外接(jie)電(dian)源(yuan)引擎單憑(ping)其(qi)與PTH08T240FAD特(te)別配備的(de)(de)(de)電(dian)力(li)電(dian)氣性(xing)能、兼容的(de)(de)(de)封裝形(xing)式裝修設計,舉例(li)說明更有角逐(zhu)力(li)的(de)(de)(de)制造費特(te)色(se),將成(cheng)為之多(duo)建設項目師和采(cai)買流(liu)程(cheng)方(fang)(fang)在(zai)產的(de)(de)(de)化方(fang)(fang)式中(zhong)的(de)(de)(de)非(fei)常理(li)想(xiang)采(cai)用,可(ke)行推(tui)助企業的(de)(de)(de)較(jiao)低(di)采(cai)買流(liu)程(cheng)制造費并加(jia)強(qiang)生產鏈柔韌。
性能相比較
業(ye)務 | PTH08T240FAD(TI) | LWH08T240FAD(Leadway) |
復制粘(zhan)貼交流(liu)電(dian)壓 | 4.5 V – 14 V | 4.5 V – 14 V |
工作輸(shu)出(chu)額定電壓 | 0.69 V – 2 V | 0.69 V – 2 V |
輸出直流電壓 | 10 A | 10 A |
的(de)效率(lv) | 90 % | 90 % |
工做(zuo)溫 | –40 °C ~ +85 °C | –40 °C ~ +117 °C |
芯片封裝(zhuang)/尺寸圖 | 11-DIP,22.1×15.7×8.5 mm | 11-DIP,22.1×15.7×8.6 mm |
職(zhi)能 | 遠距離開(kai)關按(an)鈕、輸送(song)可(ke)以調整 | 遠程控制觸點開(kai)關、導出隨意調(diao)節 |
帶(dai)替優(you)越
氣溫范圍圖更(geng)廣:
l LWH08T240FAD代位繼承(cheng)LWH一(yi)系列的耐溫(wen)天氣(qi)優點(dian),其事業(ye)攝氏度范圍(wei)內遠要高于PTH08T240FAD的-40℃ - 85℃,可可以用在于耐耐高溫(wen)膠水(shui)工業(ye)生產(chan)情況或(huo)偏(pian)激氣(qi)溫(wen)具體條(tiao)件。
直接費(fei)用更低:
l 國(guo)產a化的(de)LWH08T240FAD平(ping)常有投資(zi)(zi)生產成(cheng)本優(you)缺點(dian),不(bu)利于(yu)以(yi)減少整體布局裝置投資(zi)(zi)生產成(cheng)本預算。
出售鏈更穩相關性性:
l LWH08T240FAD受國(guo)際性條件導(dao)致較小,批售鏈(lian)更(geng)加(jia)穩(wen)定定,能(neng)夠有效地(di)維護與(yu)保(bao)養(yang)工作持續時間(jian)性。
二(er)極管封(feng)裝兼容性設(she)置:
l LWH08T240FAD使用的(de)與PTH08T240FAD完(wan)全相同(tong)的(de)11-DIP裝封,可(ke)一直修正(zheng)(zheng),不能自己修正(zheng)(zheng)PCB合理布局。
LWH08T240FAD可會轉(zhuan)換PTH08T240FAD,不可的(de)調整電(dian)路設計(ji)的(de)布置(zhi)圖(tu),應代替電(dian)力機 、工農業把握(wo)智能控制系統(tong)等鄰域。其高兼容模式與(yu)國內(nei)自主研發出售(shou)鏈優勢(shi)與(yu)劣勢(shi),是建筑項目(mu)師代替設計(ji)的(de)的(de)非常完美抉(jue)擇。
佛山市立維創展信息技術不多我司有著20年電子元配件元配件技木積累了,的專業的車輛開發和好品質人員,致使Leadway主機電源信息模塊廠(chang)品。以技(ji)巧創新發展為核心思想,做最更適合(he)市面 供需的廠(chang)品規(gui)格參數。廠(chang)品競品美系、日韓風,實現了(le)pin &pin刪(shan)除如所需每(mei)系統使用,或(huo)廠(chang)品網絡顧問(wen),感謝(xie)網絡顧問(wen)。