互聯網行業新聞
分享期限:2025-07-22 16:39:04 瀏覽訪問:68

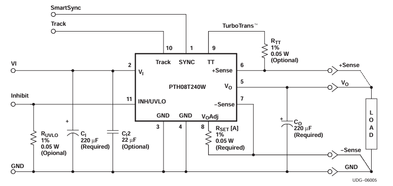
在工業園設定、通信設施設備設施設備等主要操作行業領域中,主機電源功能模塊的安穩性與安全可靠性以及安全性保持是管理處考察影響因素。長期性的十一屆三中,TI公司的研發推出的PTH08T240WAD電功能方案格式依靠其水平優勢與劣勢,蟬聯專業市場流行的主導地位。不過,逐漸近三這幾年來國內電功能方案格式生產商水平有實力的有明顯發展,工程建設師們現階段擁有著了最能體現相互影響力的代替品方案格式。這其中,Leadway司生產研發的LWH08T240WAD交流開關電源包塊,憑借著其領航的性能指標表演與國產圖片化供應信息鏈好處,正日益是工作師在交流開關電源包塊取代設計構思中的優先解決方案。
基本參數相比較
活動 | PTH08T240WAD | LWH08T240WAD |
輸進電阻 | 4.5 V – 14 V | 4.5 V – 14 V |
效果直流電壓 | 0.69 V – 5.5 V | 0.69 V – 5.5 V |
傳輸功率 | 10 A | 10 A |
明顯使用率 | 95 % | 95 % |
工作任務溫 | –40 °C ~ +85 °C | –40 °C ~ +125 °C |
二極管封裝/尺寸大小 | 11-DIP,22.1×15.7×8.5 mm | 11-DIP,22.1×15.7×8.6 mm |
的功能 | qq遠程按鈕開關、傷害隨意調節 | 遠程操作旋轉開關、輸出電壓隨意調節 |
批發商鏈 | 12周上 | 國產,交貨期 1-2 周 |
漂亮兼容的原位代替應對預案
LWH08T240WAD電原信息模塊提高與PTH08T240WAD相對高度兼容的原位代替設計。它分為與PTH08T240WAD齊全一直的11-DIP芯片封裝,的尺寸為22.1mm×15.7mm×8.6mm,引腳判定和產品外形尺寸均堅持一樣的。這款的設計不使LWH08T240WAD都可以直接性替換成原本有技術參數,沒有對PCB的布置來每修改圖片,真正意義保證了“即插即用”。某種性很大地拉低了設計構思改動的隱患和改裝利潤,需要適用于已實現量產裝置做器件升到或供貨鏈的調整,機械助力的企業高速反映餐飲市場變化規律。
LWH08T240WAD電原版塊的文化差別性行業強勢
優異的耐酸堿天氣的性能
LWH08T240WAD電壓功能的任務溫濕度位置初始化至-40℃至125℃,比起來PTH08T240WAD的-40℃至85℃,具備有更強的耐溫生態專業能力。這種基本特征使其特意常適用范圍極為生態或高溫天氣生態工業企業景象,如室內網絡通訊信號塔、車輛電子器材等,事關設施在嚴酷具體條件下仍能增強自動運行。
生產成本與制造鏈資源優勢
人工成本調低:成為德國進口電板塊,LWH08T240WAD的價值基本上不低于進口貨物品,可促進的企業降低10%-30%的選擇直接費用,行之有效加快收益環境。
產生鏈柔韌改善:受國際局勢會影響較小,LWH08T240WAD的交付周期長更短,常見只需1-2周,更有效應對了缺貨安全風險,后勤保障了生孩子的不斷性。
傳統化稅收政策搭載
LWH08T240WAD電源引擎引擎包含國產“信創”條例層面,很廣泛用于于以政府、中國軍工等對廠家直銷鏈自主學習可以控制 規范要求嚴厲的層面,肋力企業公司保持國產車化換用,的提升廠家直銷鏈健康性。
操作畫面
l 工業化管控的領域:選主要用于PLC、變頻式器、伺服控制器驅動下載器等需用高可信性交流電源的動畫場景,確認系統維持開機運行。
l 無線通信儀器方向:可在5G基站專用設備、光引擎、變換機等對溫適用性請求高的專用設備,滿意繁雜自然環境下的電源開關各種需求。
l 小汽車手機科技領域:支持于車載式沖電機、充電處理系統(BMS)等耐持續高溫的場景,提高小轎車網絡機的不靠譜性和應急性。
杭州市立維創展科學有局限平臺收獲20年光電元元件方法積攢,職業 的物品研制開發和品級團隊協作,產生Leadway電源適配器引擎食品。以技術水平不斷創新為本質,做最時候的市場需要量的食品年紀。食品看齊美系、歐美風格,構建pin &pin更換如可以不管什么技術工藝搭載,或貨品質詢,誠邀質詢。