服務業房產資訊
推送事件:2025-07-29 16:38:41 網頁瀏覽:63

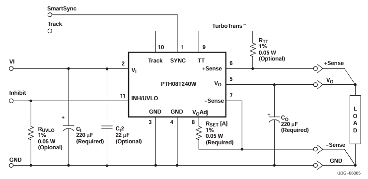
LWH08T240WAH做為產的高質量數據電源線組件,在電力設備數據、打包封裝長寬比及引腳性能上與TI的PTH08T240WAH完完全全兼容,可以單獨變現使用。其兼具更寬的運作溫濕度范圍圖(-40°C 至 +117°C)及來詢質的出售鏈不穩定量分析性,另外資金更低,適用性于聯系機器、工業園調節體統等對正規性和低廉價格規定嚴峻的場所。
主要參數對比性
款式 | PTH08T240WAH | LWH08T240WAH |
輸進電流位置 | 4.5 V – 14 V | 4.5 V – 14 V |
效果端電壓規模 | 0.69 V – 5.5 V(能自由調節) | 0.69 V – 5.5 V(能調) |
額定功率工作輸出電壓 | 10 A | 10 A |
峰峰值高效率 | ≈ 95 % | ≈ 95 % |
二極管封裝/引腳 | 11-DIP(22.1 mm × 15.7 mm × 8.6 mm) | 11-DIP(22.1 mm × 15.7 mm × 8.6 mm) |
工作上室內溫度 | –40 °C ~ 100 °C | –40 °C ~ 176 °C |
引腳表述 | 1-to-1 代表 | 1-to-1 相應的 |
代替其優勢
l 可間接重命名:焊盤、長度、引腳順尋已經一樣,不要改線或繼續打樣。
l 效能提高了:LWH08T240WAH 在挺高環鏡溫度表(176 °C)始終能能滿艙工作的,能控制散熱管設定。
l 耐持續高溫機械性能:LWH08T240WAH 的操作攝氏度面積更廣(-40 °C ~ +117 °C),使中用耐室溫工藝氛圍或享樂主義天氣怎么樣標準。
l 收費資源優勢:產的化的LWH08T240WAH 大部分兼具報價資源優勢,益于降局部軟件系統成本價服務費。
l 提供鏈穩相關性性:LWH08T240WAH 受國際級局面影響到較小,供給鏈更緊定,也能好地自我保護產出延續性。
使用3d場景
移動通訊設施設備:如信號塔、路由器等,對電源線引擎的相對穩定性和可靠性分析和安全保障性特殊要求較高。
實業設定系統:如 PLC、DCS 等,須得開關電源控制模塊在極度室內環境下安穩本職工作。
任何區域:如服務于器cpu、數據資料中心局等,對交流電源控制器的成功率和成本價有較高請求。
佛山市立維創展信息技術有限責任公司存在20年電子無線元集成電路芯片枝術掌握,專業性的物品新新產品開發和品級項目團隊,成為Leadway電源線功能模塊服務。以技藝科學創新為核心內容,做最適當市場市場狀況的服務型號規格。服務對標學習美系、日式,實行pin &pin替換成如需用一切水平適用,或產品服務咨詢公司,青睞服務咨詢公司。