服務行業報告、短視頻軟件
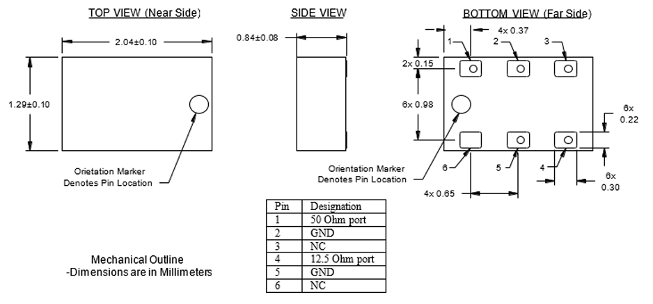
TGL2201 是 Qorvo 研發的高性能寬帶雙級 GaAs VPIN 限幅器,采用成熟工藝,工作頻率 2 至 25 GHz(TGL2201-SM 為 2 至 12 GHz),小信號插入損耗低(X 波段<0.5 dB),大信號平整泄露功率<18 dBm,輸入功率 CW 適應能力>5 W,恢復時間<115 nS,有裸片和 16-QFN 封裝形式