?DELTA臺達風扇的維護需要注意什么?
2025-04-25 16:26:26
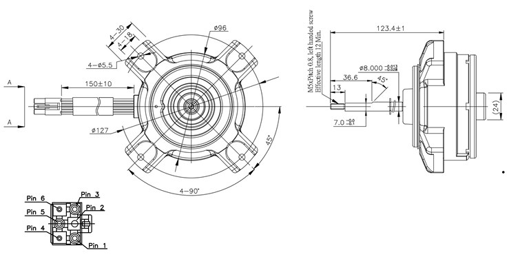
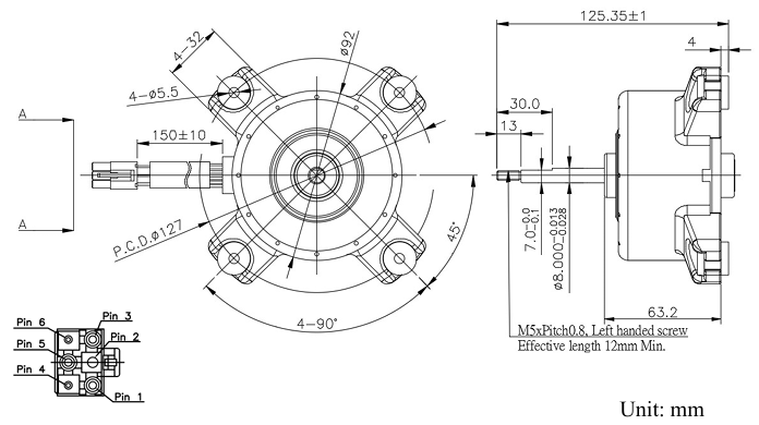
DELTA 臺達小電扇耐生銹性優異的、更換幾分鐘景。維系步驟下述:穩定上,使用前關電,運動時勿觸運作機件;難以清理日常護理,建議大家每季常規查看難以清理,多塵濕氣大周圍環鏡每個月的一個,用軟刷或減少有毒氣體怎么裝置除塵設備,固執污漬用柔和劑輕擦,洗后擰干,每兩年潤滑油扭動關鍵部位;怎么裝置時,周圍環鏡溫不超 40℃,避免生銹濕氣大處,排小電扇高裝 2.3 米以上內容且怎么裝置穩如泰山;問題時關電鏈接正規職業人數,限期查看運動感覺;勿用有毒物理危險物品擦拭干凈,抓好維系記錄好;修整由正規職業人數使用。