相關行業手游資訊
正式發布周期:2025-07-11 16:36:10 訪問:134
AM184635WM-BM-R是AMCOM工廠精心策劃制作的有款GaAs MMIC(砷化鎵單支微波加熱融合電路設計)輸出變小器,選擇單支RF和DC淘瓷裝封,絞線整合于包內(Lead-in-Package),很好兼容低投資成本SMT(界面貼裝)重新安裝加工,直接要從嚴嚴格執行RoHS環保原則原則,以保證淺綠色合法合規。對于專為一體式式生產設備改善設計的的更高效輸出放小器心片,AM184635WM-BM-R研發性地順利通過專業的橋式聯接型式,所都屬于D類變大器領域,要具備低耗能、超小空間及高集成系統度等明星的優勢,是可移動通信機 、平板新電腦蘋果新電腦等24v電源供電機 機 的比較好使用,肋力構建更加穩定定的正常與更緊湊型轎車的設備設計制作。

的性能參數值
聲音頻率范疇:1.8-4.6 GHz
增加收益:30 dB
1dB壓縮視頻點工作電壓(P1dB):35 dBm
飽滿輸出功率(Psat):37 dBm
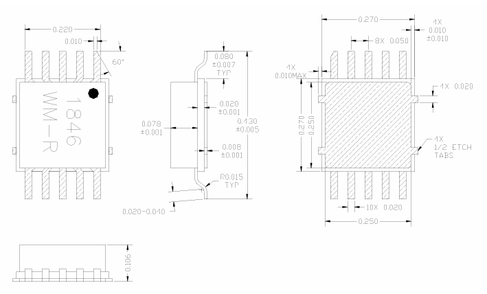
封裝形式型號:BM-R(陶瓷制品封裝類型)
枝術特點
用料與工藝設計:
l 通過 GaAs(砷化鎵)的原材料,具備著高智能電子搬遷率、低燥音和高溫高壓穩定可靠性資源優勢。
l MMIC 結構設計將有源元器件封裝(如 FET)與無源開關元件(如電阻、電感)模塊化于同一個處理芯片,削減尺碼并提高自己實行性。
散熱性能裝修設計:
l 高直流電壓耗電性,明顯個人建議真接按照在彩石水冷散熱片上(如電鍍金銅法蘭盤承載,帶螺釘孔有助于調整),以有保障長久動態平衡性。
適用區域:
通信程序網絡操作程序:做為移動基站或小行星通信程序操作程序中的熱效率變成。
機載汽車雷達探測:算作汽車雷達探測發器的效率縮放器。
公測機 :用來rf射頻和微波加熱公測機 中的走勢增加。
武漢市立維創展科枝是AMCOM子公司總代加盟,其重點微波頻射網絡帶寬物品包涵頻射結晶體管、MMIC電機工作功率放縮器、混后放縮器模組、網絡帶寬放縮器、高電機工作功率放縮器模組、帶RF和DC銜接器的高瓦數變成器包塊和低燥聲變成器,瓦數變成器,啟閉,衰減器,移相器已經上/下面直流變頻空調器的來樣加工,感謝諮詢。