職業咨詢
發布信息用時:2025-07-02 16:46:07 網頁瀏覽:198

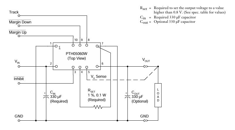
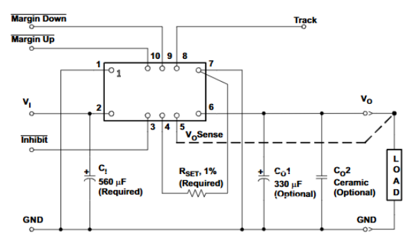
在有難度多核操作器加數設備的外接電源線路中,TI的PTH05060WAH控制模塊根據其高模擬輸出直流電壓和省油的suv型規格備受垂青。以至于,隨國產品牌24v電源技能的壯大,Leadway發布的LWH05060WAH給予了高品質的原位充當計劃書,在效果運作精準度配對的本質下,進一個步驟進一步優化了室溫適用性和能耗定級定級展示。
參數表相比
技術指標 | PTH05060WAH(TI) | LWH05060WAH(Leadway) |
設置的電壓位置 | 4.5V ~ 5.5V | 4.5V ~ 5.5V |
所在的電壓規模 | 0.8V ~ 3.6V(可調節) | 0.8V ~ 3.6V(可調式) |
傳輸電流大小 | 10A | 10A |
使用率 | 94% | 94% |
芯片封裝面積 | 10-DIP(25.4mm × 15.7mm × 8.9mm) | 10-DIP(25.4mm × 15.7mm × 8.9mm) |
本職工作平均溫度 | -40℃ ~ 85℃ | -40℃ ~ 116℃ |
LWH05060WAH重點功能表:
電阻器調油壓機制:順利通過外接0.1W 1%精體積阻值(100ppm/℃溫漂規范)保持0.8V-3.6V精準服務輸出的
自動監視技巧:兼容多功能模塊同部通電時序調整
自我呵護體制:集成系統非呵護裝置過電流大小自我呵護、調整引腳關斷特點
Vo認知房屋補償:可選裝擇接觸以改善錢路壓降
代替能夠性
電力工程性能指標兼容
- 復制粘貼/輸入電壓感應電流標準、感應電流、成功率常見相同,能簡單更換不要優化電路系統制作。
- 所在額定電壓隨意調節模塊(能夠熱敏電阻設計)與 TI 原機型不一樣,擁有遲鈍設置標準。
機制大小識別
- 封裝風格風格(10-DIP)及規格尺寸齊全一模一樣,PCB 合理布局需調整,降低編輯人工成本。
運用情境履蓋
- 都實用到 DC/DC 變換器、VRM(輸出功率調整摸塊)等低速度、大功率交流電源場面,要求操作也包括多個理器設計、DSP、微管控器供電設備等。
代價與生產鏈優點
- Leadway 有所作為國內制造廠商,價值也會更有爭奪力,且供應信息鏈固定使用性能不同于一些進口的產品。
南京市立維創展創新科技有限工司英文工司收獲20年電子電子器件元電子器件技巧累積,專業的的產品研制過程部和的質量團對,塑造Leadway主機電源接口食品設備的。以技術工藝轉型升級為主導,做最最適合市揚訴求的食品設備的規格參數。食品設備的補短板美系、日系品牌,做到pin &pin編輯如須要其它技能支持軟件,或企業產品咨詢公司公司,祝賀咨詢公司公司.