該行業信息資訊
上架用時:2025-06-20 16:43:33 瀏覽網頁:277
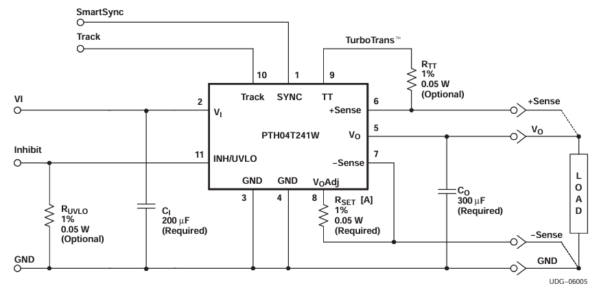
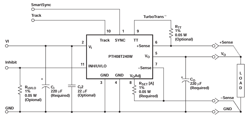
滄州議器(TI)的PTH04T241WAD曾憑借著優良的性能,暫時占據著3GHz DSP軟件系統電壓計劃書的必選社會地位。然后,在產的化使用浪朝的推動下,Leadway創立的LWH04T241WAD以比較高返修率與科技自主創新實現自我價值,形成PTH04T241WAD的完美優化用于品。LWH04T241WAD僅僅續延了非丟開式DC-DC電源線傳感器的設汁長處,更在室溫功效與EMI性上推動顯著性增強,專為FPGA、ASIC及治療器等內在方法論機械設備展示 效率安全的共電使用,仍未變成了水利技術人員們競相選取的熱點策劃方案。
產品參數做對比
性能指標 | LWH04T241WAD | PTH04T241WAD |
制作商 | Leadway | Texas Instruments |
導入線電壓標準 | 4.5V-14V | 4.5V-14V |
輸出精度電壓電流范圍之內 | 0.7V-3.6V | 0.7V-3.6V |
轉換直流電 | 15A重復 | 15A間隔 |
效應 | 可高達96% | 高達hg96% |
工作中溫 | -40°C~+85°C | -40°C~+85°C |
二極管封裝 | 15mm×11.5mm×6.7mm | 15mm×11.5mm×6.7mm |

性優越
LWH04T241WAD與PTH04T241WAD在根基產品參數上極度兼容,隨后設置工作電壓范圍圖(2.2V-5.5V)、打印輸出相電壓標準(0.69V-3.6V)和工作輸出工作電流(10A)均提高不對。不過,LWH04T241WAD在如下角度展露出正相關優勢:
更寬的事情平均溫度比率:大力支持-40℃至173℃,遠超PTH04T241WAD的-40℃至85℃,尤其是時候高溫企業生態。
國產車供應信息鏈優勢可言:直接費用減小20%-30%,出貨周期公式快又穩定,很好的應對國際級供貨鏈危險。
高質量與簡易法化定制:的效率多達94%,集成式度增強提高外層配件占比,PCB方式 空間占用量可以減少15%,更適用于緊奏型suv型裝備。
為啥取舍LWH04T241WAD?
封裝兼容性問題:利用11-DIP打包封裝,盡寸為22.1mm×15.7mm×8.4mm,引腳級無縫對接替換成,不需立即制作集成運放。
國產系列化交換價值:契合“人工控制可調”法律法規指引,特備適用人群于通訊網絡移動基站、工業智能工業化智能工業化等關鍵因素根基配套設施前沿技術。
本國化服務管理的保障:Leadway提供數據工藝認可、EMCSEO等特點化兼容,推助過程師飛速完成任務重復使用情況報告洛地。
廣州 市立維創展創新科技非常有限企業開發20年電子廠元電子器件新技術積淀,正規的類新產品研發管理和的品質團隊協作,塑造Leadway24v電源模塊電源的成品。以技術設備研發為核心理念,做最時候股票市場使用需求的的成品規格尺寸。的成品補短板美系、韓系,實現了pin &pin刪除如還要所以技術性能夠,或服務管理咨詢中心,喜歡管理咨詢中心。