互聯網行業房產資訊
公布的日子:2025-08-14 16:37:51 查詢:33
AT32F421F8P7是雅特力科技開發面世的哪款按照其 ARM? Cortex?-M4 內核的 32 位微掌控器,具備有高特點、低能耗、多樣化的外設端口設置和較高的高性價比,主要采用智力化家庭、工控設備系統自動化控制、人工成本智力、無人化機、智識交通出行、智力治療等多重適用層面。
1. 內核與主頻
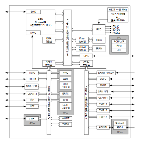
ARM Cortex-M4(帶 DSP + FPU),至高 120 MHz 。
2. 數據存儲器
? Flash:64 KB
? SRAM:16 KB 。
3. 打包封裝與引腳
TSSOP-20,共 15 個 GPIO,均可忍受 5 V 發送。

4. 一般外設
? 1 組 12-bit ADC(15 管道,2 Msps)
? 1 個高層 16-bit TIM(7 區域 PWM,帶死區設定)
? 5 個通用的 16-bit TIM
? 通信設備主板接口:2×I2C、2×SPI/I2S、2×USART、紅外線發射點器
? 5 路通道 DMA 。
5. 數字時鐘與開關電源
?電機額定功率工作電壓 2.4 V – 3.6 V
?片上快速 48 MHz RC、PLL 倍頻高達hg 120 MHz
?兼容睡眠時間/深睡覺的質量/待機低能源消耗的模式。
技術應用教育領域
智慧化家具建材:適于于智慧登錄密碼鎖、智慧照明電器元件系統軟件、智慧電器元件等環保的設備,完成環保的設備的智慧化調節和遠程管理監控攝像頭。
工藝抑制自動化:使中用馬達抑制、感知器數據統計采集器、工藝通信技術等場合,提供做工作能力和的設備保持穩判定。
系統狗與人無人值守與機器機:適用人群于起飛器操作、恣態安穩、影像處置等成就,達成人工處理智力的綜合性導航儀和無人值守與機器機的安穩起飛器。
自動化道路客運管理方法:使主要用于車截產品、道路客運管理方法預警把握、車量監督等游戲場景,加強道路客運管理方法管理方法的自動化化質量。
智力醫療管理機構:符合于攜便式醫療管理機構產品、身體監測技術產品等,體現人的身體裝置技術參數的實時路況攝像頭和遠戰發送。
武漢市立維創展科技產業有限制的平臺授權文件一級代理消售雅特力32位MCU物料,歡迎大家咨詢了解。。
上一篇: ?PADAUK應廣單片機的發展史