HMC659LC5/HMC659LC5TR數據分布式架構瓦數拖動器 非常符合RoHS規格 ADI現貨平臺進口總代理
推出日子:2018-06-25 14:26:35 打開網頁:7997
HMC659LC5也是款GaAs MMIC PHEMT遍布式效率調大器,采取合適RoHS規定的5x5 mm無引腳陶瓷廠家表貼封口,在DC到15 GHz的頻點面積內業務。該調大器展示19 dB增加收益、+35 dBm輸入轉換IP3和+27.5 dBm輸入轉換效率(1 dB增加收益進行壓縮),顯卡功耗為300mA(采取+8V主機電源)。
HMC659LC5在DC - 15 GHz條件內具備±0.7 dB的很棒增益控制出平整度,因為越來越時候EW、ECM、雷達探測和試驗機器用途。HMC659LC5變大器I/O組織結構識別50 Ω,沒有外鏈pcb板。HMC659LC5與高容積表貼制做技藝兼容。
|
品牌
|
型號
|
描述
|
貨期
|
庫存
|
|
ADI
|
HMC659LC5
HMC659LC5TR
|
功率放大器,采用SMT封裝,DC - 15 GHz
|
現貨
|
173
|
HMC659LC5應用
-
電信基礎設施
-
微波無線電和VSAT
-
軍事和太空
-
測試儀器儀表
-
光纖產品
HMC659LC5優勢和特點
-
P1dB輸出功率:+27.5 dBm
-
增益:19 dB
-
輸出IP3:+35 dBm
-
電源電壓:+8V(300 mA時)
-
50 Ω匹配輸入/輸出
-
32引腳陶瓷5x5mm
SMT封裝:25mm2
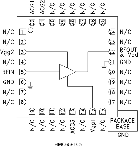
HMC659LC5結構圖
