HMC515LP5E/HMC515LP5ETR雙正負極結晶管 ADI代辦現貨交易
更新時間:2019-01-23 09:49:37 搜素:2075
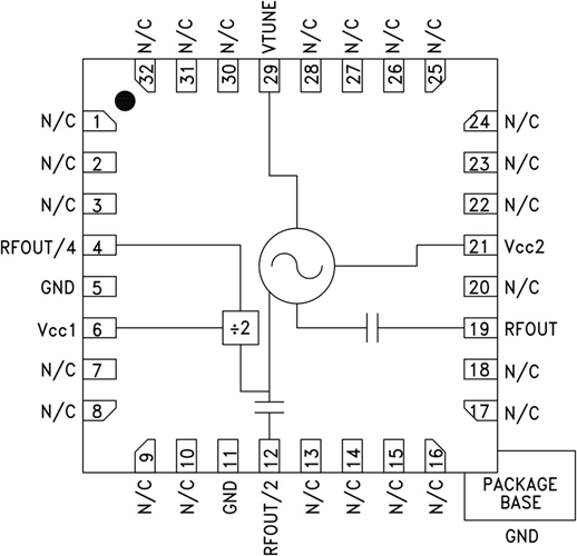
HMC515LP5E是一種款GaAs InGaP異質結雙正負晶胞管(HBT) MMIC VCO。 HMC515LP5(E)集都是諧振器、負阻值器材和變容電感,可導出半頻,并作為3分頻導出。 是因為諧振器的單外接電源芯片空間結構,VCO的相位嘈音能在溫度因素、影響和加工條件下均是非常很棒。 選取+5V外接電源工作交流電壓時,導出工作交流電壓為+10 dBm(舉例值)。 要不需用,能夠禁止預分頻器能力以節約開支電流值。 該工作交流電壓控制諧振器選取無引腳QFN 5x5 mm表貼封裝形式,不用再外邊相配部件。
|
品牌
|
型號
|
貨期
|
|
ADI
|
HMC515LP5E
HMC515LP5ETR
|
1周
|
|
如若您需要購買HMC515LP5E/HMC515LP5ETR,請點擊右側客服聯系我們!!!
|
廣泛應用
-
VSAT無線電
-
點對點/多點無線電
-
測試設備和工業控制
優勢和特點
-
雙路輸出: Fo = 11.5 - 12.5 GHz
Fo/2 = 5.75 - 6.25 GHz
-
Pout: +10 dBm
-
相位噪聲: 典型值為-110 dBc/Hz(100 kHz)
-
無需外部諧振器
-
QFN無引腳SMT封裝,25 mm2
結構特征圖
