產業新聞咨詢
公布的時間:2019-02-15 10:36:27 閱讀:1839
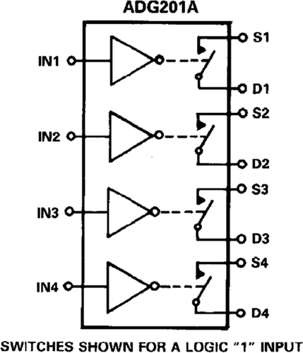
ADG201AKNZ/ADG201AKPZ也是款單IC芯片CMOS元器,內裝置五個獨力必選的開關按鈕。他們應用促進型LC 2 MOS的工藝流程方案,可提高±15 V的更高的電磁波處里功能。這部分旋鈕按鈕還兼有高旋鈕按鈕訪問速度和低R ON。
ADG201A旋轉開關在相關的保持鍵入上接入思維邏輯低電平。當ON時,每一位觸點面板開關在倆個方往右導電特點相等,有時候每一位觸點面板開關都還具有延申到24v電源的輸人預警的范圍。每個控制按鈕都擁有先開后合的控制按鈕工作,該用于多路復接器選用。開發原有的是低正電荷倒入,無誤在切換桌面數子輸入時進行輕柔的瞬態。
倘若您還要購ADG201AKNZ,ADG201AKPZ,請點左下客戶服務中心聯絡我們都!!!
品牌
型號
貨期
庫存
ADI
ADG201AKNZ
ADG201AKPZ
1周
100
優質和作用
ADG201A-EP支技國防科技和航空航空運用(AQEC標準的)
結構圖

深圳市立維創展科技代理銷售ADI現貨產品,致力于為廣大客戶提供低價格、高質量、有保障的產品,提供優質的售前與售后服務技術。如您有任何產品需求以及服務請聯系我們客服人員,我們會再第一時間內為您解決問題。