HMC437MS8GE工作噪音小污染靜態式的分頻器 正品現貨交易
正式發布周期:2019-02-18 10:22:56 挑選:2185
HMC437MS8GE是一種款低低頻噪音三分頻冗余分頻器,實用InGaP GaAs HBT技藝,進行低人工成本8引腳表貼塑料管芯片封裝。 此功率器件在DC(實用方波搜索)至7 GHz的搜索聲音頻率下運作,實用+5V DC單電壓。 100 kHz偏置時的低加性SSB相位低頻噪音為-153 dBc/Hz,能夠使用者確保好的的模式低頻噪音功能。
|
品牌
|
型號
|
貨期
|
庫存
|
|
ADI
|
HMC437MS8GE
|
1周
|
30
|
假如您要有購HMC437MS8GE,請打開網頁左面客戶服務找小編!!!
HMC437MS8GE技術應用
-
UNII、點對點和VSAT無線電
-
802.11a和HiperLAN WLAN
-
光纖產品
HMC437MS8GE優勢和特點
-
SSB相位噪聲: -153 dBc/Hz(100KHz)
-
寬帶寬
-
輸出功率: -1 dBm
-
單直流電源: +5V (69 mA)
-
MS8G SMT封裝
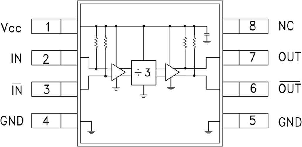
HMC437MS8GE結構圖

深圳市立維創展科技代理銷售ADI現貨產品,致力于為廣大客戶提供低價格、高質量、有保障的產品,提供優質的售前與售后服務技術。如您有任何產品需求以及服務請聯系我們客服人員,我們會再第一時間內為您解決問題。