AD7980ARMZ系數變換器(ADC) 代理商現貨黃金
推送時:2019-02-18 14:00:32 瀏覽器:1883
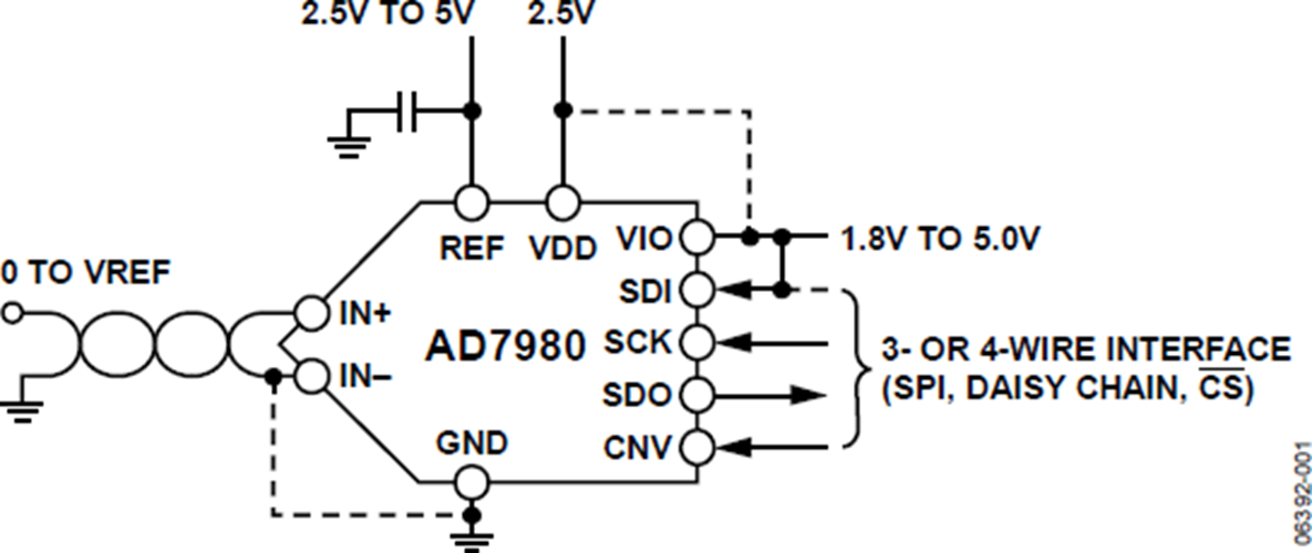
AD7980ARMZ就是一款16位、逐次接近型變位系數轉移器(ADC),所采用單電源開關開關(VDD)變電。它內置式一些低額定功率、高速收費站、16位采樣系統系統ADC和一些多功能表串行電源開關接口端口處。在CNV上升時沿,該電子元件對IN+與IN-面積內的仿真模擬設置相電流值降差確定采樣系統系統,面積從0 V至REF。系數相電流值降(REF)由外部鏈接帶來,如果是可以自主于電源開關開關相電流值降(VDD)。額定功率和吞吐傳送速度呈線性網絡變遷的關聯。
SPI兼容串行主板接口還要靈活運用SDI輸入,將多個ADC以金絲菊鏈主要形式連接方式到一條什么二線式串口通信上,并出具先選的系統繁忙提示。選擇獨自電VIO時,它與1.8V、2.5V、3V和5V思維兼容。
AD7980ARMZ用于10引腳MSOP芯片裝封或10引腳QFN (LFCSP)芯片裝封,上班溫的范圍為?40°C至+125°C。
|
品牌
|
型號
|
貨期
|
庫存
|
|
ADI
|
AD7980ARMZ
|
1周
|
50
|
要是您還要購AD7980ARMZ,請點選右邊客服中心保持聯系大家!!!
AD7980ARMZ廣泛應用
AD7980ARMZ優勢和特點
-
16位分辨率、無失碼
-
呑吐速率:1 MSPS
-
低功耗
4 mW(1 MSPS,僅VDD)
7 mW(1 MSPS,總功耗)
70 μW (10 kSPS)
-
INL:典型值±0.6 LSB,最大值±1.25 LSB
-
信納比(SINAD):91.25 dB(10 kHz時)
-
THD:-110 dB(10 kHz時)
-
欲了解更多特性,請參考數據手冊
AD7980ARMZ鼓勵防務和航材航天科技用(AQEC基準)
-
下載AD7980-EP數據手冊(pdf)
-
受控制造基線
-
唯一封裝/測試廠
-
唯一制造廠
-
增強型產品變更通知
-
認證數據可應要求提供
-
軍用溫度范圍(?55℃至+125℃)
-
V62/12640 DSCC圖紙號
AD7980ARMZ示意圖
