AD7980BRMZ齒條參數轉成器ADC 代理加盟現貨黃金
正式發布時間間隔:2019-02-18 14:46:26 搜索:2021
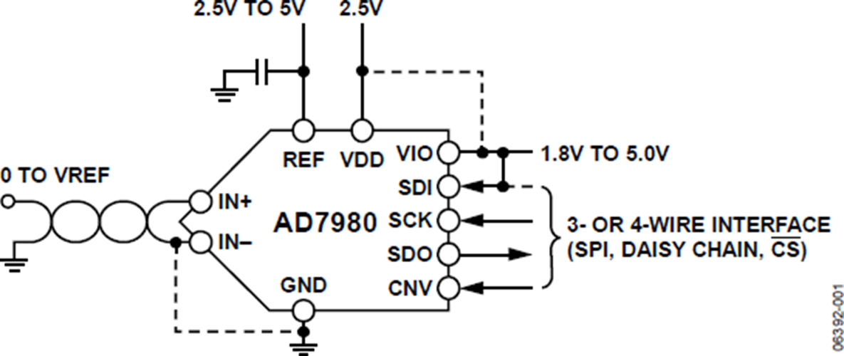
AD7980BRMZ不是款16位、逐次直逼型變位系數轉型器(ADC),利用單交流交流電源(VDD)變電。它嵌入某個低工作電壓測試、高速路、16位監測ADC和某個多工作串行接口方式端口號。在CNV增漲沿,該電子元器件對IN+與IN-互相的虛擬讀取直流電流輸出功率差參與監測,比率從0 V至REF。基準值直流電流輸出功率(REF)由內部展示,然后也可以獨特于交流交流電源直流電流輸出功率(VDD)。工作電壓測試和吞吐傳輸率呈平滑不同的關聯。
SPI兼容串行接口類型還還可以用SDI讀取,將好幾個ADC以金絲菊鏈的方式銜接到兩條二線式數據總線上,并提拱可以選擇的正忙的指示。運用自由開關電源VIO時,它與1.8V、2.5V、3V和5V邏輯思維兼容。
AD7980BRMZ用到10引腳MSOP二極管封裝類型或10引腳QFN (LFCSP)二極管封裝類型,做工作高溫位置為?40°C至+125°C。
|
品牌
|
型號
|
貨期
|
庫存
|
|
ADI
|
AD7980BRMZ
|
1周
|
20
|
要是您需購AD7980BRMZ,請點擊量左面客服在線鏈接人們!!!
AD7980BRMZ應該用
AD7980BRMZ優勢和特點
-
16位分辨率、無失碼
-
呑吐速率:1 MSPS
-
低功耗
4 mW(1 MSPS,僅VDD)
7 mW(1 MSPS,總功耗)
70 μW (10 kSPS)
-
INL:典型值±0.6 LSB,最大值±1.25 LSB
-
信納比(SINAD):91.25 dB(10 kHz時)
-
THD:-110 dB(10 kHz時)
-
欲了解更多特性,請參考數據手冊
AD7980-EP適用防務和航空運輸航天部APP(AQEC標準化)
-
下載AD7980-EP數據手冊(pdf)
-
受控制造基線
-
唯一封裝/測試廠
-
唯一制造廠
-
增強型產品變更通知
-
認證數據可應要求提供
-
軍用溫度范圍(?55℃至+125℃)
-
V62/12640 DSCC圖紙號
AD7980BRMZ示意圖
