HMC-AUH256北斗衛星通信設備英語四級驅程調大器 ADI現貨交易
更新時光:2019-02-20 15:38:45 網頁瀏覽:1815
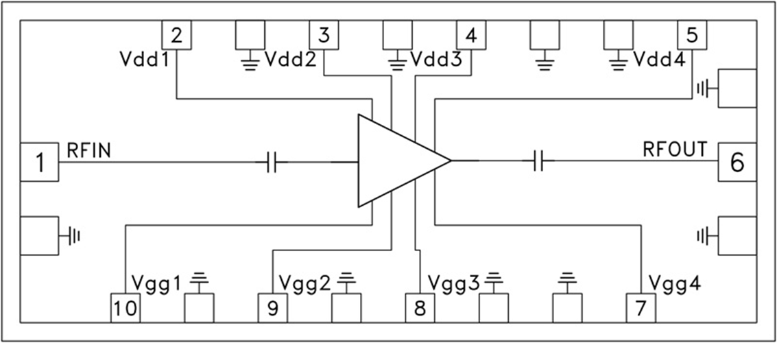
HMC-AUH256是一個款GaAs MMIC HEMT3級驅動安裝調大器,辦公頻點時間范圍17.5至41 GHz。 在寬度較小(1.93 mm2),該電子器件可便捷結合到多電子器件電源模塊模塊(MCM)中。 HMC-AUH256在1 dB壓縮成點帶來21 dB的增益值和+20 dBm的任務輸出電率,安全使用+5V的偏置電源模塊(295 mA)。 HMC-AUH256還能用作倍頻器。 實現目標倍頻器辦公的詳細介紹偏置標準。
|
品牌
|
型號
|
貨期
|
庫存
|
|
ADI
|
HMC-AUH256
|
1周
|
100
|
若是您要求購入HMC-AUH256,請超鏈接左下客服專員關系我門!!!
用
優勢和特點
-
增益: 21 dB
-
P1dB輸出功率: +20 dBm
-
寬帶性能:
17.5至41 GHz
-
電源電壓:
+5V (295 mA)
-
小尺寸芯片:
2.1 x 0.92 x 0.1 mm
示意圖
