HMC847LC5極速4:1多路多路復用器 ADI現貨黃金
上架期限:2019-02-20 16:15:19 查詢:1768
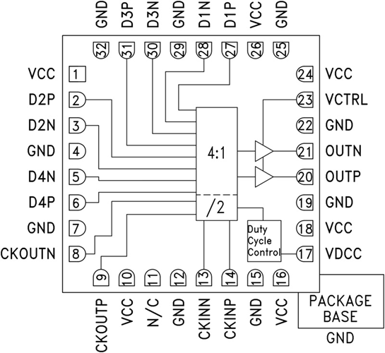
HMC847LC5是一種款4:1多路多路多路復用器,來設計選擇45 Gbps統計資料文件文件串行APP。 多路多路多路復用器在鍵入數字鬧鐘的更換點鎖存三個差分鍵入。 該配件選擇半數率數字鬧鐘的上升的沿和下滑沿來串行高速傳輸統計資料文件文件。 片內制成1/4數率數字鬧鐘模擬的輸出,與HMC847LC5的統計資料文件文件模擬的輸出同樣。
HMC847LC5的各個鐘表和數劇文件復制粘貼/工作中導出均使用CML并憑借片內50 Ω端接至VCC,可使用直流變壓器或聊天交差耦合。 HMC847LC5的復制粘貼和工作中導出可使用差分或單端性能工作中。 HMC847LC5還智能家居操控是一個工作中導出電平操控引腳VCTRL,要用于耗損征收土地賠償或網絡信號電平SEO。 VDCC引腳操控數劇文件工作中導出交差點與占空比。 HMC847LC5使用+3.3V單電源開關供氣,可以提供符合國家ROHS規格的5x5 mm SMT封裝。
|
品牌
|
型號
|
貨期
|
庫存
|
|
ADI
|
HMC847LC5
|
1周
|
120
|
要是您必須要選擇HMC847LC5,請點擊率右下人工服務找我們公司!!!
HMC847LC5廣泛應用
-
SONET OC-768
-
RF ATE應用
-
寬帶測試和測量
-
串行數據傳輸高達36 Gbps
-
高速DAC接口
HMC847LC5優勢和特點
-
支持高達36 Gbps的數據速率
-
半速率時鐘輸入
-
?速率參考時鐘輸出
-
快速上升和下降時間: 11/12 ps
-
可編程差分輸出電壓擺幅: 250 - 900 mVp-p
-
單電源: +3.3V
-
32引腳5x5mm SMT封裝: 25mm2
HMC847LC5示意圖
