HMC499LC4/HMC499LC4TR中級公率放縮器無引腳 ADI外盤
公布的精力:2018-06-26 11:11:34 網頁瀏覽:2173
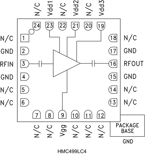
HMC499LC4也是款高動態化選用范疇GaAs PHEMT MMIC一般輸出公率圖像運放電路,選取完全符合RoHS規格的無引腳“無鉛”SMT封口。 該圖像運放電路享有21至32 GHz的上班選用范疇,出示16 dB增加收益、+24 dBm過剩輸出公率和16% PAE(+5V電源開關直流電壓)。 隔直RF I/O適合至50 Ω,選用有利。 HMC499LC4不用辦理線焊,需要選用表貼制造出系統。
|
品牌
|
型號
|
描述
|
貨期
|
庫存
|
|
ADI
|
HMC499LC4
HMC499LC4TR
|
中等功率放大器,采用SMT封裝,21 - 32 GHz
|
現貨
|
215
|
利用
-
點對點無線電
-
點對多點無線電和VSAT
-
測試設備和傳感器
競爭優勢和特色
-
輸出IP3: +34 dBm
-
飽和功率: +24 dBm (16% PAE)
-
增益: 16 dB
-
+5V(200 mA)電源
-
50 Ω匹配輸入/輸出
-
符合RoHS標準的4x4 mm SMT封裝
設備構造圖
