欧洲一区二区-欧美激情一区二区-国产激情在线-欧美在线一区二区

HMC1082LP4E/HMC1082LP4ETR國防軍事自動化戰能夠調大器 現貨交易

上線時間間隔:2019-02-25 10:48:33     瀏覽訪問:1783

HMC1082LP4E就是一款GaAs pHEMT MMIC控制增加器,集變為的溫度補償的片上耗油率加測器,任務工作頻率超范圍為5.5至18 GHz。該變小器在1 dB增益控制值縮短下出具22 dB增益控制值,+ 35 dBm模擬轉換IP3和+24 dBm模擬轉換效率,而+ 5V交流電源則要220 mA。HMC1082LP4E可能提供數據+26 dBm飽和輸入電功率和26%PAE,并選用省油的suv型無引腳4x4 mm朔膠外層貼裝封口。

HMC1082LP4E不是款理想化的驅動安裝變成器,適合于各種各樣應用軟件,也包括5.5至18 GHz的點到點無線數字電和9 GHz的船用汽車雷達。HMC1082LP4E還可以用于6至18 GHz EW和ECM選用。

品牌 型號 貨期 庫存
ADI HMC1082LP4E 1周 200
如果您需要購賣HMC1082LP4E,請點擊進入右邊在線客服聯系起來我們的!!!

品牌 型號 貨期 庫存
ADI HMC1082LP4E
HMC1082LP4ETR
1周 150
如若您需要購買HMC1082LP4E/HMC1082LP4ETR,請點擊右側客服聯系我們!!!

應用

  • 點對點通信無線路由電
  • 點對多方向移動電
  • VSAT和北斗衛星數據通信
  • 浮游生物雷達天線
  • 國防電商戰和ECM


優勢和特征

  • 高飽合讀取最大功率:26%PAE時26 dBm
  • 高打印輸出IP3:35 dBm
  • 高增加收益:22 dB
  • 高P1dB輸入輸出馬力:24 dBm
  • 電流電源線:220 mA時+ 5V
  • 密集型24引腳4x4 mm SMT打包封裝:16 mm 2

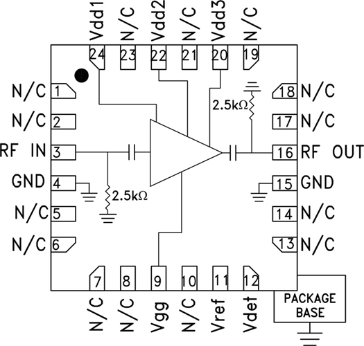
示意圖

推介資訊、短視頻軟件
  • 關于THUNDERLINE-Z產品申明
    關于THUNDERLINE-Z產品申明 2020-10-14 15:54:05 蘇州市立維創展科技創新有限平臺平臺,是國外THUNDERLINE-Z & Fusite品牌形象在國家的軟件授權渠道方式商,其金屬質玻璃鋼填料密封絕緣端子,已具有廣泛性軟件應用于航空航天、日本軍事、通迅等高準確性這個領域。
  • CMD283C3超低噪聲MMIC放大器現貨庫存
    CMD283C3超低噪聲MMIC放大器現貨庫存 2025-08-22 16:41:29 Custom MMIC(現屬 Qorvo)的 CMD283C3 超底燥音 MMIC 變成器選取 3x3 mm 無引線工業陶瓷 QFN 封裝類型,幾率范圍之內 2 - 6 GHz,兼具高增益值、低燥音、低工作電壓等因素,適用做于 S/C 股票波段多領域。