HMC565LC5低噪音放小器集成塊 ADI現貨平臺
發布公告時間間隔:2019-02-26 10:52:55 網頁瀏覽:1760
HMC565LC5是一種款高各式各樣領域GaAs PHEMT MMIC低的噪音變大器,選擇無比符合RoHS規則的無引腳5x5mm SMT芯片封裝。 HMC565LC5本職工作的平率領域為6至20 GHz,在一小部分本職工作的頻段內兼具21 dB小訊號增加收益、2.5 dB的噪音指數公式和+20 dBm打印輸出IP3。 致使選擇+3V電源開關輸電和隔直RF I/O,該自偏置LNA無比適微波加熱無線數字電使用。
|
品牌
|
型號
|
貨期
|
庫存
|
|
ADI
|
HMC565LC5
|
1周
|
100
|
如果您想要購入HMC565LC5,請雙擊左測售后聯系起來企業!!!
應用
-
點對點無線電
-
點對多點無線電和VSAT
-
測試設備和傳感器
-
軍事和太空
優勢和特征
-
噪聲系數: 2.5 dB
-
增益: 21 dB
-
OIP3: 20 dBm
-
單電源: +3V (53 mA)
-
50 Ω匹配輸入/輸出
-
符合RoHS標準的5x5 mm封裝
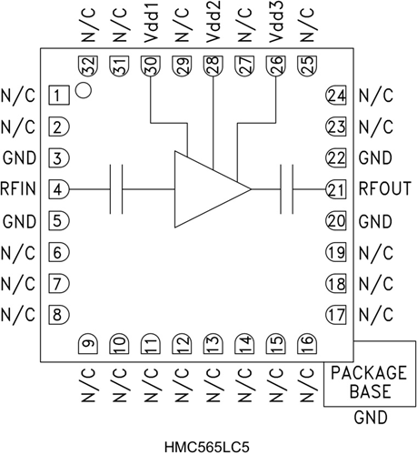
示意圖

深圳市立維創展科技代理銷售ADI現貨產品,致力于為廣大客戶提供低價格、高質量、有保障的產品,提供優質的售前與售后服務技術。如您有任何產品需求以及服務請聯系我們客服人員,我們會再第一時間內為您解決問題。