HMC468ALP3E光纖寬帶3位GaAs IC自然數衰減器 現貨交易
發布的的時間:2019-02-26 14:04:23 訪問:1626
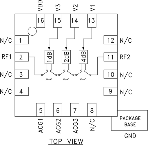
HMC468ALP3E一款帶寬3位GaAs IC大數字衰減器,主要采用成本低的預算無引腳面貼裝芯片封裝。 在DC到6.0 GHz次數下崗位,讀取耗率不超過1 dB典型示范的值,最多滿足4 GHz。 衰減器位值一般抉擇1 (LSB)、2和4 dB,總衰減為7 dB。 衰減精確度無比高,典型示范的步長不確定度為±0.4 dB,IIP3為+55 dBm。 三種管理電壓電流進入在0和+5V區間內調節,采用抉擇每臺衰減感覺。 必須要+5V的單體Vdd偏置。
|
品牌
|
型號
|
貨期
|
庫存
|
|
ADI
|
HMC468ALP3E
|
1周
|
120
|
如若您需要購買HMC468ALP3E,請點擊右側客服聯系我們!!!
采用
-
蜂窩;UMTS/3G基礎設施
-
固定無線和WLL
-
微波無線電和VSAT
勝機和特征描述
-
1 dB LSB步進至7 dB
-
高IP3: +55 dBm
-
誤碼率:±0.25 dB(典型值)
-
每位單個控制線路
-
+5V單電源
-
3x3 mm SMT封裝
提示圖

深圳市立維創展科技代理銷售ADI現貨產品,致力于為廣大客戶提供低價格、高質量、有保障的產品,提供優質的售前與售后服務技術。如您有任何產品需求以及服務請聯系我們客服人員,我們會再第一時間內為您解決問題。