HMC394LP4低背景噪聲GaAs HBT可代碼編程5位計數器器 現貨黃金
發布的時:2019-02-26 17:20:32 看:1781
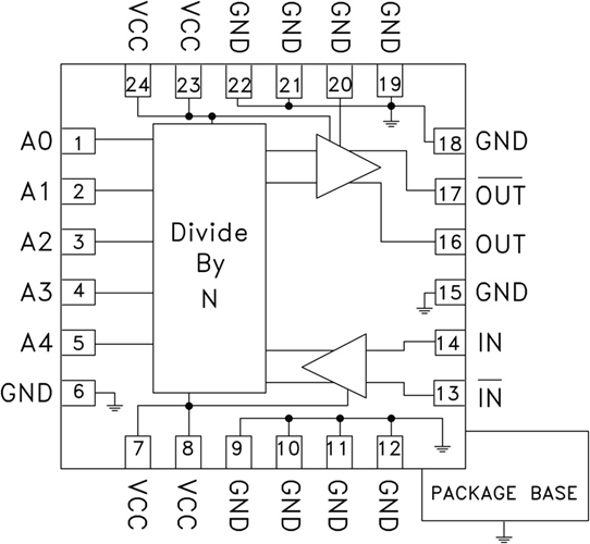
HMC394LP4(E)有的是款低的噪音GaAs HBT可java開發5位運算器器,適用4x4 mm無鉛表面上貼裝封口。 在讀取的頻繁 多達2.2 GHz時,該元器可在N為2至32使用范圍實行連續式分頻。 讀取電壓電流擺幅為800 mV,占空比與N相差懸殊。100 kHz紊亂時,該運算器器的加性SSB相位的噪音低至?153 dBc/Hz,十分適低的噪音的頻繁 制成器技術應用。
|
品牌
|
型號
|
貨期
|
庫存
|
|
ADI
|
HMC394LP4
|
1周
|
90
|
若是您須得訂購HMC394LP4,請鼠標單擊右則客戶服務聯絡公司!!!
應用
優勢和特征
-
SSB相位噪聲: -153 dBc/Hz(100 kHz)
-
可選分頻:2至32
-
并行5位控制
-
寬輸入功率范圍: -20至+10 dBm
-
4x4 mm無鉛SMT封裝
示意圖

深圳市立維創展科技代理銷售ADI現貨產品,致力于為廣大客戶提供低價格、高質量、有保障的產品,提供優質的售前與售后服務技術。如您有任何產品需求以及服務請聯系我們客服人員,我們會再第一時間內為您解決問題。