欧洲一区二区-欧美激情一区二区-国产激情在线-欧美在线一区二区

LTM9013IY-AA#PBF帶寬考慮器300MHz 原廠現貨平臺

更新時間段:2019-02-27 11:47:25     瀏覽訪問:1678

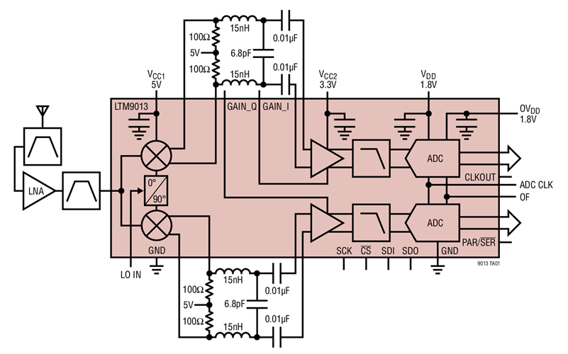
 LTM9013IY-AA#PBF是一款 300MHz 寬帶接收器。該器件采用集成系統級封裝 (SiP) 技術,是 μModule® (微型模塊) 接收器,內置一個雙通道高速 14 位 A/D 轉換器、低通濾波器、差分增益級和一個正交解調器。

LTM9013IY-AA#PBF十分的比較合適于網絡帶寬網 I/Q 閱讀器應運,其 AC 性能參數包擴 59dB SNR 和 1.3dB 規律比較平整度 (從 DC 至 300MHz)。在該配件的靜態施用其中一個高通驍龍濾波器或單純的 AC 合體,以推動構思便捷性。集制作片內網絡帶寬網電壓器在 RF 放入端上給予了其中一個 50Ω 單端接頭。 一家 5V 電原主管為解調器供水,而一家 3.3V 電原則中用給 IF 調大器供水,以構建超小的模糊。一家 1.8V 電原限制進行低工作功率 ADC 運營。一家分次的讀取電原隨著 DDR LVDS 讀取要能驅動器 1.8V 邏輯性電線。一家可任選的多路多路復用器限制兩根過道互用1根數字1讀取串口通信。一家任選的掛鐘占空比穩定可靠器在全速和多個掛鐘占空比標準下構建了高安全性能。
品牌 型號 貨期 庫存
ADI LTM9013IY-AA#PBF 1周 200

如若您需要購買LTM9013IY-AA#PBF,請點擊右側客服聯系我們!!!

LTM9013IY-AA#PBF應用


  • 電信
  • 寬帶、低 IF 接收器
  • 數字預失真接收器

  • 蜂窩基站


LTM9013IY-AA#PBF優勢和特征

  • 集成型 I/Q 解調器、IF 放大器、和雙通道 14 位、310Msps 高速 ADC
  • 外部高通濾波器允許進行帶寬調節
  • 用于每個通道的 300MHz 低通濾波器
  • RF 輸入頻率范圍:0.7GHz 至 4GHz
  • 50Ω 單端 RF 端口
  • 50Ω 差分 LO 端口
  • 頻率平坦度:1.3dB (典型值)
  • 在 -7dBFS 具有 66dBc IM3 電平
  • 在 -1dBFS 具有 59dB SNR
  • 并聯 DDR LVDS 輸出
  • 時鐘占空比穩定器
  • 低功率:2.6W
  • 停機和打盹模式
  • 15mm x 15mm BGA 封裝

LTM9013IY-AA#PBF示意圖

深圳市立維創展科技代理銷售ADI現貨產品,致力于為廣大客戶提供低價格、高質量、有保障的產品,提供優質的售前與售后服務技術。如您有任何產品需求以及服務請聯系我們客服人員,我們會再第一時間內為您解決問題。


選擇新聞咨詢
  • 關于THUNDERLINE-Z產品申明
    關于THUNDERLINE-Z產品申明 2020-10-14 15:54:05 北京市立維創展網絡局限新公司,是英國THUNDERLINE-Z & Fusite項目在大的許可校園推廣渠道分銷,其黑色金屬玻璃板膠封端子排,已范圍廣選用于航空航天、國防軍事、電力等高可信性行業領域。
  • CMD283C3超低噪聲MMIC放大器現貨庫存
    CMD283C3超低噪聲MMIC放大器現貨庫存 2025-08-22 16:41:29 Custom MMIC(現屬 Qorvo)的 CMD283C3 超高吵音 MMIC 變大器使用 3x3 mm 無引線瓷磚 QFN 封裝形式,頻點范圍內 2 - 6 GHz,掌握高增益控制、低吵音、低功耗測試等特點,適用性于 S/C 波長多域。