HMC408LP3E/HMC408LP3ETR高的效率的率工作電壓變大器5.1 - 5.9 GHz ADI期貨
公布時間間隔:2018-06-26 13:39:38 閱覽:7338
HMC408LP3(E)是款5.1 - 5.9 GHz有高效GaAs InGaP異質結雙正負極尖晶石管(HBT)熱效率縮放器MMIC,提拱+30 dBm P1dB。 該縮放器提拱20 dB增益值,過飽和熱效率為+32.5 dBm,電源線工作所在馬力為+5V (27% PAE)。 輸人企業內部切換至50 Ohms,工作所在需非常少的其他器件。 Vpd可以使用于全節電模式切換或RF工作所在熱效率/直流電管理。 該縮放器選擇低價格、3x3 mm無鉛表面上貼裝打包封裝,中帶露外地座以改善RF和熱量散發功效。
|
品牌
|
型號
|
描述
|
貨期
|
庫存
|
|
ADI
|
HMC408LP3E
HMC408LP3ETR
|
1 W功率放大器SMT,5.1 - 5.9 GHz
|
現貨
|
275
|
HMC408LP3應用
-
802.11a & HiperLAN WLAN
-
UNII和點對點/多點無線電
HMC408LP3優勢和特點
-
增益: 20 dB
-
飽和功率: +32.5 dBm (27% PAE)
-
單電源電壓: +5V
-
省電功能
-
3x3 mm無鉛SMT封裝
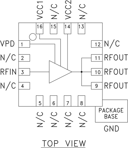
HMC408LP3結構圖
