HMC-AUH249/HMC-AUH249-SX分布區式推動放縮器裸片 ADI期貨
發部時長:2018-06-26 15:41:03 訪問:2330
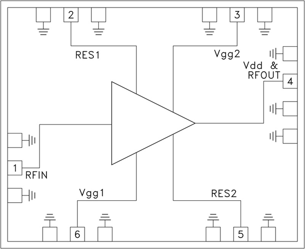
HMC-AUH249就是一款GaAs MMIC HEMT分布不均式動力拖動器裸片,在DC至43 GHz的幀率下工作上,先進典型3 dB帶寬的配置為35 GHz。 該拖動器出具15 dB收獲,飽和點效果馬力為+23 dBm,另外通過+5V直流電壓主機電源功能損耗僅200 mA。
HMC-AUH249更具優異的增加收益,相位紋波大過25 GHz,要能轉換大過8V的峰閥值,故而非常的好移動寬帶wifi手機、光纖傳輸通訊技術和檢查環保設備廣泛應用。 該變大器裸片侵占適用面積欠佳4 mm2,有助更快集成系統到多集成電路芯片開關電源模塊(MCM)中。 談談交流電開關電源線,HMC-AUH249所需偏置器和片外隔直部件及旁路電解電容。 Vgg1能自由調控節電子元件的偏置電流量,Vgg2則調控轉換增加收益。
|
品牌
|
型號
|
描述
|
貨期
|
庫存
|
|
ADI
|
HMC-AUH249
HMC-AUH249-SX
|
調制器驅動放大器芯片,DC - 35 GHz
|
現貨
|
156
|
HMC-AUH249應用
-
光纖調制器驅動器
-
適用于測試和測量設備的增益模塊
-
點對點和點對多點無線電
-
寬帶通信和監控系統
-
雷達警報系統
HMC-AUH249優勢和特點
-
小信號增益: 15 dB
-
輸出電壓: 最高8V pk-pk
-
Psat輸出功率: +23 dBm
-
高速性能: 大于35 GHz的3 dB帶寬
-
電源電壓:
+5V (200 mA)
-
S小尺寸裸片:
2.2 x 1.80 x 0.1 mm
HMC-AUH249結構圖
