HMC608LC4/HMC608LC4TR/HMC608LC4TR-R5中檔功效縮放器 ADI期貨
發部時間段:2018-06-26 16:19:23 瀏覽器:2462
HMC608LC4就是款高動態圖的面積GaAs pHEMT MMIC高的英語工作上上上電阻圖像運放電路,應用無引腳“無鉛”SMT封裝形式。該圖像運放電路出示數據2種工作上上上策略:高增加收益值策略(Vpd引腳短接至地);和低增加收益值策略(Vpd引腳提高斷路)。下表表現了在高增加收益值策略下工作上上上的圖像運放電路的機械技巧參數。該圖像運放電路具備有9.5至11.5 GHz的工作上上上的面積,出示數據29.5 dB增加收益值、+27.5 dBm趨于穩定工作上上上電阻和23% PAE(+5V開關電源電阻)。噪聲源指數公式為6 dB,而所在IP3為+33 dBm。隔直RF I/O連接至50 Ω,應用方便快捷。HMC608LC4無須線焊,行應用表貼制造廠技巧。
|
品牌
|
型號
|
描述
|
貨期
|
庫存
|
|
ADI
|
HMC608LC4,HMC608LC4TR,HMC608LC4TR-R5
|
中等功率放大器,采用SMT封裝,9.5 - 11.5 GHz
|
現貨
|
237
|
HMC608LC4應用
HMC608LC4優勢和特點
-
輸出IP3:+33 dBm
-
飽和功率:+27.5 dBm (23% PAE)
-
增益:29.5 dB
-
電源:+5V(310 mA時)
-
50 Ω匹配輸入/輸出
-
符合RoHS標準的4x4 mm SMT封裝
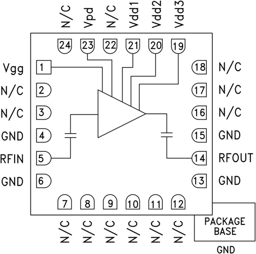
HMC608LC4結構圖
