HMC-AUH320/HMC-AUH320-SX4個等級一般額定功率縮放器 ADI現貨交易
公布耗時:2018-06-27 11:44:10 閱覽:2725
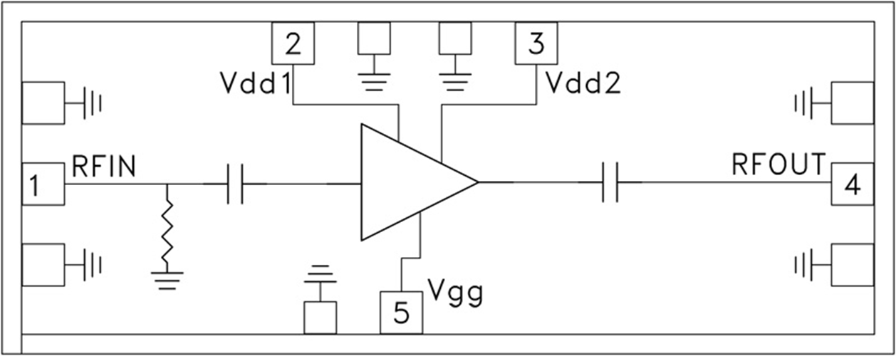
HMC-AUH320有的是款高動態圖片標準的4個等級GaAs HEMT MMIC一般辦公工作電壓放縮器,在71至86 GHz的頻繁 下辦公。 HMC-AUH320在74 GHz頻繁 下能提拱16 dB的增益控制,在1 dB縮減點能提拱+15 dBm的傷害辦公工作電壓,用+4V電原工作電壓。 擁有焊盤和電子器材表面都經由Ti/Au不銹鋼化,放縮器器材已齊全鈍化以控制準確操控。
HMC-AUH320 GaAs HEMT MMIC中級工作功率擴大器可兼容常見的存儲心片貼裝形式,各種熱壓縮成和熱多普勒彩超線焊,是非常適MCM和比調微線路運用。 此地表示的其它數據表格均是存儲心片在50 Ohm自然環境下便用RF探測器接觸到測量。
|
品牌
|
型號
|
描述
|
貨期
|
庫存
|
|
ADI
|
HMC-AUH320
HMC-AUH320-SX
|
中等功率放大器芯片,71 - 86 GHz
|
現貨
|
233
|
HMC-AUH320應用
-
短程/高容量鏈路
-
無線LAN網橋
-
汽車雷達
-
軍事和太空
-
E波段通信系統
HMC-AUH320優勢和特點
-
增益: 16 dB (76 GHz)
-
P1dB: +15 dBm
-
電源電壓: +4V
-
50 Ω匹配輸入/輸出
-
裸片尺寸:
2.20 x 0.87 x 0.1 mm
HMC-AUH320結構圖
