HMC442LM1/HMC442LM1TR工率調小器 ADI現貨平臺
發部日期:2018-06-27 16:42:54 訪問:1958
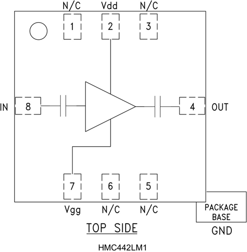
HMC442LM1是款網絡帶寬17.5至24 GHz GaAs PHEMT MMIC中高公率變大器,分為SMT無引腳集成電路基帶芯片媒介二極管封裝。 LM1分為正真的表貼網絡帶寬豪米波二極管封裝,出示低衰減和漂亮的I/O輸入,并始終保持MMIC集成電路基帶芯片能力。 該變大器出示14 dB增益值,呈現飽和狀態公率為+23 dBm(27% PAE時),電源線電壓電流為+5V。
50 Ω識別拖動器在RF輸人和輸送端上一體化隔直,無比比較合適當做規則化增益值模塊電源、發送鏈安裝驅動程序器或HMC SMT混頻器LO安裝驅動程序器。 成為處理器和電覽混合型插件的帶替電子元器件,HMC442LM1不用線焊,因此為大家提供數據同步的端口。
|
品牌
|
型號
|
描述
|
貨期
|
庫存
|
|
ADI
|
HMC442LM1
HMC442LM1TR
|
中等功率放大器,采用SMT封裝,17.5 - 24.0 GHz
|
現貨
|
212
|
HMC442LM1應用
HMC442LM1優勢和特點
-
飽和功率: +23 dBm (27% PAE)
-
增益: 14 dB
-
電源電壓: +5V
-
50 Ω匹配輸入/輸出
HMC442LM1結構圖
