該行業新聞、短視頻軟件
推送精力:2018-06-27 17:23:18 搜索:7416
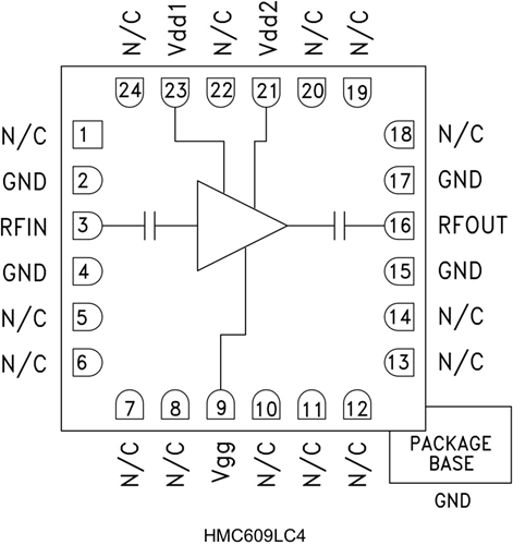
HMC609LC4有的是款GaAs PHEMT MMIC低燥聲調小器(LNA),事業的頻率規模為2至4 GHz。 HMC609LC4在一整塊事業頻段內具有著優秀的平整耐磨性特質,屬于20 dB小走勢增益值、3.5 dB燥聲指數和+36.5 dBm打印輸出IP3。 50 Ω配備調小器無須一些外界配備開關元件。 HMC609LC4可以用高出水量表貼造成系統,且RF I/O過程隔直以進一部有利于結合。
品牌
型號
描述
貨期
庫存
ADI
HMC609LC4
HMC609LC4TR
低噪聲放大器,采用SMT封裝,2 - 4 GHz
現貨
203
HMC609LC4應用
HMC609LC4優勢和特點
HMC609LC4結構圖
