服務行業新聞咨詢
發布的精力:2019-10-08 14:54:27 看:2067
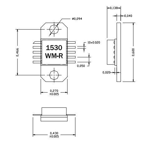
AM153040WM-EM-R工作效率放小器是美利堅AMCOM平臺的MMIC縮放器,該公率變大器以網絡帶寬放小器處理器為獨特的,具不錯的線形等值線和快速安全,廣泛的用途在衛星信號數據通信、預警雷達、航空公司、電子儀表、移動基站等場所,
AM153040WM-EM-R公率變成器是倆個時段gaas-hifet-phemt-mmic公率增加器,與50歐姆的插入和工作輸出基本匹配好,兼備18db的收獲和38dbm的12v打印輸出電機功率,因直流變壓器電熱效率大,散熱處理,AM153040WM-EM-R工作電壓擴大器需重新安裝在產品的金屬材料導熱片上

AM153040WM-EM-R比較重要性能參數
規律:1.4-3.4GHz
增益控制:18
P1dB(DBM):37
PSAT(DBM):38
熱效率:30
VD(V):12
AM153040WM-EM-R用
用戶電子產品移動基站
GPS利用
MMDS
無線wifi內網中繼器
10V–13V采用
長沙市立維創展科枝有限司英文司是瑞典AMCOM司總進口代理,其大部分微波通信移動寬帶物品例如微波射頻硫化鋅管、MMIC瓦數圖像運放電路、相溶圖像運放電路引擎圖片、移動寬帶圖像運放電路、高瓦數圖像運放電路引擎圖片、帶RF和DC連結器的高工率變小器組件和低噪音污染變小器,工率變小器,旋鈕,衰減器,移相器及上/下面交流三菱變頻器的高端定制。
淘寶手機端詢問請選擇:西安市立維創展科技創新有效品牌