業內最新資訊
頒布周期:2019-11-27 15:46:48 搜索:2516
HMC789是ADI司的高線性網絡度收獲板塊MMIC,該放小器的業務規律超范圍是810MHz至2.7GHz,是常用圈內規范SOT89芯片封裝。 僅綜合運用極小值使用量的外鏈開關元件和+5V單電源適配器活動,其高輸入輸出IP3為+42 dBm。采使用蜂窩/4G、確定無限和WLAN、有線耳機電視節目、纜線解調解調器和數字化廣播電臺衛星影像、紅外光手機無線電和測試設施和IF和RF廣泛應用
HMC789決定性技術指標:
高輸入IP3: +42 dBm
高增加收益: 11dB
單外接電源: +5V
聲音頻率:810M~2.7GHz
增益值:11dB
OIP3:42dBm
領域標SOT89芯片封裝

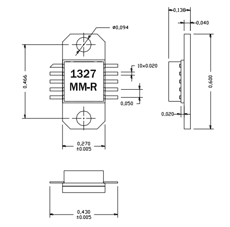
AM132740MM-EM-R變小器是AMCOM司的砷化鎵HiFET MMIC工作效率拖動器,該拖動器的速度為1.3GHz至2.7GHz,通過調控工作輸出匹配好,極具22噪音分貝的增益控制和14V時的輸出熱效率為38dBm,該MMIC分為瓷質封裝,頻射和直流電源引線均隸屬于封裝無誤于將低賺了錢SMT裝設到PC板上。在高直流電耗電量,大家十分激烈呼吁安裝一些產品可以直接安裝在輕金屬散熱性能器上。軟件應用領域為PCS基站設備、GPS采用、MMDS無線數字內網中繼器和14VAPP
AM132740MM-EM-R決定性參數表:
頻率:1.3-2.7GHz
增加收益:26
P1dB(DBM):38
PSAT(DBM):39
效果:30
VD(V):14
AMCOM變成器的口碑好度拼不過ADI,但AMCOM也是全球支持的大企業,產品質量與速度可以與ADI相比較較,最具的優勢的這一點是AM132740MM-EM-R調大器的售價比HMC789具有絕對的優勢,頻率相符、都是高效性產品,深圳市立維創展科技是AMCOM與ADI裝修公司的代理商經銷處商。