餐飲行業新聞咨詢
頒布時段:2019-12-11 11:23:25 查詢:2025
HMC413是ADI的快速率GaAs InGaP異質結雙導電性結晶管MMIC效率變大器,該變大器應用低資金、漆層貼裝16引腳裝封,代有探出底座以可以改善RF和水冷系統,概率為1.6GHz - 2.2GHz,且選取非常少的外表電子器件提供22 dB增益值,是處于飽和狀態功效為+29.5 dBm,電流值電流值為+5V。還可以選擇用3.6V電源線安全作業,HMC413的巧用比率涉及蜂窩/PCS/3G、輕便式式生產設備和基礎條件裝置、移動地方環路等

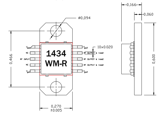
AM143438WM-EM-R馬力調小器是AMCOM的砷化鎵HiFET MMIC,該MMIC是2級GaAs-pHEMT功效變小器,偏置電流為10-14V,級間匹配好網洛擴大1.4到3.4GHz,以供應商非常大的速率智能化性。假如,一兩個能作的評詁板有企及20聲音分貝收獲,38dBm趨于穩定效果額定功率不可逾越1.5至1.8GHz頻帶寬度在12V。別2.0到3.0ghz的開展板在12V時達到19dB增益控制和38dBm工作輸出功效。直流電引線與算作的接地的封裝形式表層共面,并能當高效率價的外壁貼裝拆卸到PC板。
AM143438WM-EM-R的選用核心內容包涵:PCS移動通信基站、GPS采取、MMDS、無線數字網段中繼器和14V采用等
AM143438WM-EM-R極為重要技術指標
頻繁:1.5GHz - 1.8GHz
收獲:20.5
P1dB(dBm):37.5
PSAT(dBm):38
率:30
VD(V):12
AMCOM是瑞典較大型電率調小器IC芯片大公司,在國際出名度雖步入ADI品脾,但也是亞太口碑好大各個企業,AM143438WM-EM-R調大器與HMC413拖動器的頻帶寬度和符合業務領域靠近,能夠說2款變小器是可同學之間用于的,如果在售價上卻想差多數,AM143438WM-EM-R拖動器最有價額優越性,線質量高效率的牢靠,西安市立維創展科技公司是AMCOM與ADI總部的代理加盟供應商商,保證AMCOM與ADI的微波加熱元元器和基帶芯片,熱烈歡迎咨詢中心。