領域資訊新聞
發布消息時間段:2019-12-18 14:27:00 瀏覽訪問:1886
HMC413是ADI的一種頻率范圍為1.6~2.2ghz的學習效率率異質結雙極多晶體管MMIC電率圖像電壓放大器。低總成本,漆層貼裝16針芯片封裝,裸托架,延長微波射頻和性溫能。它選擇沒有的外部結構零件來帶來23db的增益值,飽和狀態工作效率為29.5dbm(42%PAE),電原相電壓為5v。擴大器還不錯與3.6V電源適配器一塊運行。VPD也可以于低耗電的模式或頻射輸出額定功率電壓電流把控好。
HMC413的應該用涵蓋:蜂窩PCS3G、輕便式式儀器和基礎性設備、無線wifi本機環路等。
HMC413決定性指標:
頻率:1.6G - 2.2G
增益控制:22
OIP3:40

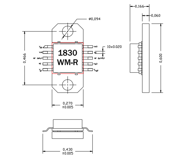
AM183030WM-EM-R是amcom的GaAs-MMIC額定功率放小器。該放小器在1.6~3.3ghz頻段內,增益值為30.5db,導出工作電壓為30.5dbm。為盡可能使低總成本SMT制做到PC板上,本造出應歸其中一種低層裝封中微波射頻和直流電電壓引線的瓷磚裝封。原因直流電電壓輸出功率高,推薦 將這種產品就直接安轉在重金屬散熱器上。
AM183030WM-EM-R的用鄰域涉及到:遠程寬帶上網、遠程本機環路和MMDS
AM183030WM-EM-R比較重要規格
平率:1.6-3.3GHz
增加收益:30.5
P1dB(DBM):30.5
PSAT(DBM):31.5
有效率:20
VD(V):8
AM183030WM-EM-R增加器與HMC413變小器的率和支持業務領域貼近,這新老款變小器是可互不當作的,僅是在產品報價上卻相差太大大多數,AM183030WM-EM-R拖動器非常具有價額特色,產品優質耐用,武漢市市立維創展科持是AMCOM與ADI平臺的加盟供應商商,保證AMCOM與ADI的微波通信元集成電路處理芯片和處理芯片,歡迎圖片咨詢了解。。