的行業咨訊
推送事件:2019-12-23 14:15:24 打開網頁:2051
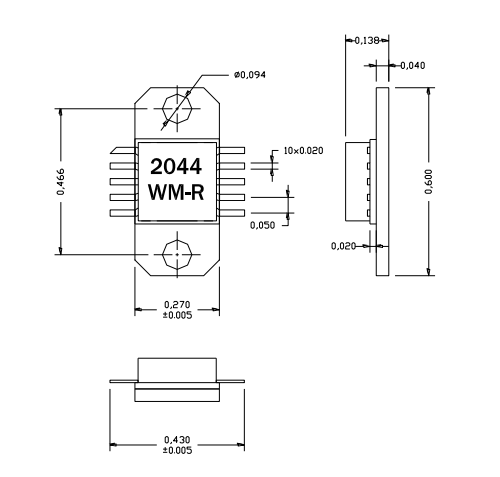
AM204437WM-EM-R是AMCOM的砷化鎵MMIC功率放大器系列的一部分。該縮放工器具有30分貝的增益和在2.2到4.2GHz頻帶上輸出37dBm的功率。該MMIC采用陶瓷封裝,射頻和直流引線均位于較低層次的封裝便于低成本的SMT組裝到PC板上。由于高直流功耗,我們強烈建議將這些設備直接安裝在金屬散熱器上。AM204437WM-FM-R是AM204437WM-BM-R安裝在鍍金銅法蘭托架上。EM包的占用空間與FM包相同直導線和銅/鎢法蘭代替銅法蘭。法蘭上有兩個螺孔以便于擰上金屬散熱器。這個MMIC是符合RoHS的。

AM204437WM-EM-R選用
無線數字互連機絡網對接
無線wifi本地服務環路
雙重無線wifi電
AM204437WM-EM-R必要數據
速率:2-4.4GHz
增益控制:30
P1dB(DBM):36
PSAT(DBM):37
生產率:25
VD(V):8
蘇州市立維創展新材料技術是AMCOM總部總代里,其首要微波頻射寬帶網新產品收錄頻射尖晶石管、MMIC輸出馬力變成器、分層變成器傳感器、寬帶網絡變成器、高輸出馬力變成器傳感器、帶RF和DC鏈接器的高馬力圖像增加器電路包塊和低躁聲圖像增加器電路,馬力圖像增加器電路,電開關,衰減器,移相器相應上/下部直流變頻空調器的環保定制家具。