領域內容
公布的時間:2019-12-24 13:59:45 搜素:1837
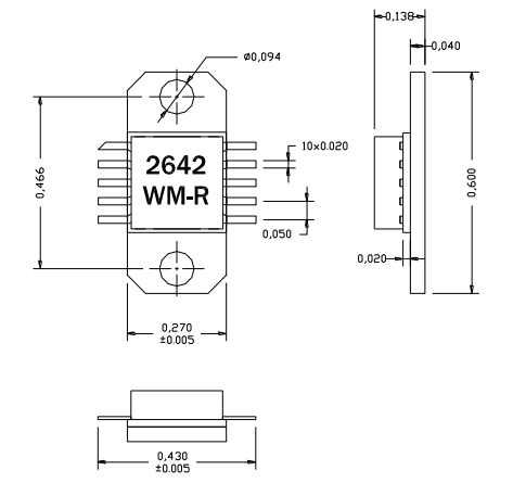
AM264240WM-EM-R是AMCOM的砷化鎵HiFET MMIC功率放大器系列的一部分。這是兩個階段GaAs-HIFET-PHEMT-MMIC功率放大器。AM264240WM-EM-R在輸入和輸出端都與50歐姆完全匹配,覆蓋2.6歐姆至4.2GHz。它有20dB的增益和40dBm的14V輸出功率射頻和直流引線位于封裝的較低層,以便于將低成本的SMT組裝到PC板上。因為直流電功率大散熱,我們強烈建議將這些設備直接安裝在金屬散熱片上。AM264240WMFM-R是安裝在鍍金銅法蘭托架上的AM264240WM-BM-R。EM包有相同的封裝外形為FM封裝,采用直引線和銅/鎢法蘭代替銅法蘭是法蘭上的兩個螺孔,便于擰到金屬散熱器上。這個MMIC是符合RoHS的。

AM264240WM-EM-R運用
PCS稍稍有點蜂窩通信基站
GPS應運
WiMAX
WLL
10V–15V適用
AM264240WM-EM-R關鍵性規格
次數:2.6-4.2GHz
收獲:20
P1dB(DBM):39
PSAT(DBM):40
生產率:35
VD(V):14
河南市立維創展科技信息是AMCOM工廠代理商商,其基本徽波寬帶網服務具有微波射頻結晶體管、MMIC額定馬力放小器、混合型喂養放小器控制組件、聯通寬帶放小器、高額定馬力放小器控制組件、帶RF和DC連結器的高效率調小器模組和低躁聲調小器,效率調小器,打開,衰減器,移相器和上/下部交流abb變頻器的個性。