業內新聞咨詢
上線周期:2019-12-24 14:39:50 網頁瀏覽:1786
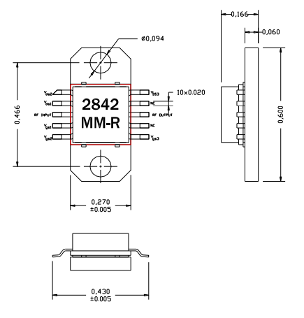
AM284233MM-EM-R是AMCOM的砷化鎵MMIC功率放大器系列的一部分。它有34分貝的增益和在2.8到4.2GHz頻帶上輸出33dBm的功率。這個MMIC是一個陶瓷封裝,有射頻和直流引線在較低層次的封裝,以方便低成本的SMT組裝到PC板。由于高直流功耗,我們建議將這些設備直接安裝在金屬散熱器上。AM284233MM-FM-R是AM284233MM-BM-R安裝在鍍金銅法蘭托架上。EM包與帶直管和銅/鎢法蘭而不是銅法蘭的FM封裝。有兩個法蘭上的螺孔便于擰到金屬散熱器上。這個MMIC是符合RoHS的。

AM284233MM-EM-R用
無線路由網絡網接通
wlan當地環路
雙邊有線電
AM284233MM-EM-R很重要基本參數
頻率:2.8-4.2GHz
增益控制:34
P1dB(DBM):33
PSAT(DBM):34
轉化率:25
VD(V):8
蘇州市立維創展高新科技是AMCOM工司總經銷商費,其基本微波加熱聯通寬帶新產品以及頻射多晶體管、MMIC工作電功率調大器、混后調大器模組、移動寬帶調大器、高工作電功率調大器模組、帶RF和DC無線電源連接器的高功效擴大器接口和低燥聲擴大器,功效擴大器,按鈕開關,衰減器,移相器包括上/底下變頻式器的私人訂制。