業資迅
頒布用時:2019-12-27 17:26:00 網頁瀏覽:1769
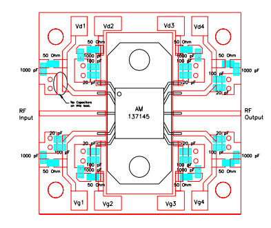
AM13714530WM-SM-R是AMCOM的砷化鎵MMIC功效縮放器系列的的一本分在13.75到14.5ghz頻段的工作。它有已經超過30音貝的增益控制和30音貝轉換公率。擴大器禁封裝在有帶rf射頻和直流電源接。機械的裝配蝶閥法蘭有助于、達成好的的cpu散熱性能成效走到接地系統cpu散熱性能器的相對路徑。

AM13714530WM-SM-R軟件應用
VSAT
國防
AM13714530WM-SM-R必要性能指標
頻次:13.75-14.5GHz
收獲:30
P1dB(DBM):30
PSAT(DBM):31
速率:15
VD(V):8
西安市立維創展科持是AMCOM集團公司代理商加盟,其主要微波通信光纖寬帶企業產品涉及微波射頻晶狀體管、MMIC工率圖像運放電路、混合式圖像運放電路功能模塊圖片、寬帶網絡圖像運放電路、高工率圖像運放電路功能模塊圖片、帶RF和DC接入器的高熱效率圖像變成電路板塊和低噪音污染圖像變成電路,熱效率圖像變成電路,電源開關,衰減器,移相器甚至上/后面伺服電機器的制作。